EasyManua.ls Logo

TUG MZ - Page 392

TUG MZ
445 pages
Print Icon
To Next Page IconTo Next Page
To Next Page IconTo Next Page
To Previous Page IconTo Previous Page
To Previous Page IconTo Previous Page
Loading...
92
Curtis 1234/36/38 Manual, Rev. D
1 1 J U LY 2 0 0 8 D R A F T
7 — VCL
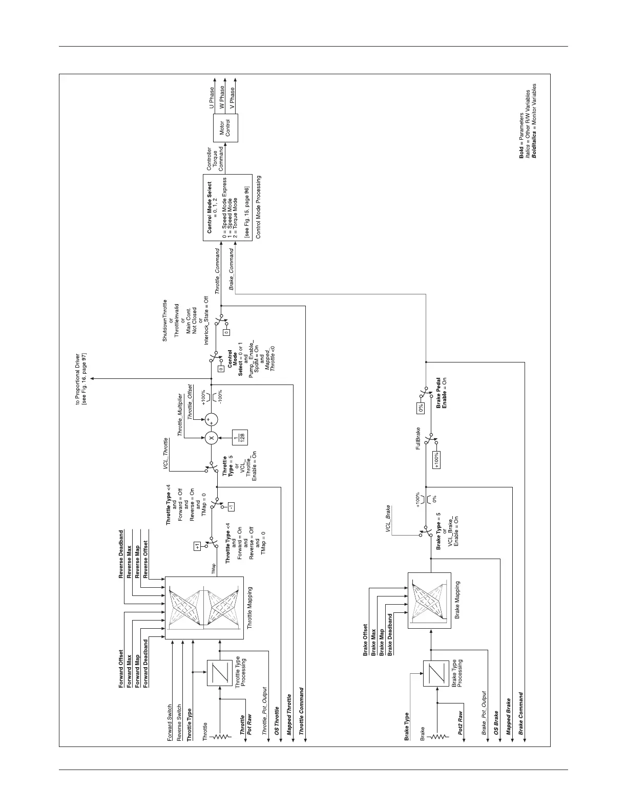
Fig. 14 Motor command diagram.

Table of Contents

Related product manuals