EasyManua.ls Logo

TUG MZ - System Description; Components

TUG MZ
445 pages
Print Icon
To Next Page IconTo Next Page
To Next Page IconTo Next Page
To Previous Page IconTo Previous Page
To Previous Page IconTo Previous Page
Loading...
1-1-2
Orig
CD373
Chapter 1
Section 1 MZ Tow Tractor
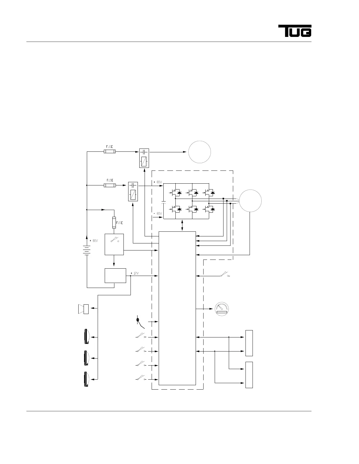
Figure 1-2. MZ Electric Drive System Functional Diagram
B. SYSTEM DESCRIPTION
1. Components
The MZ Tow Tractor consists of the following systems/components:
Axle Drive System Hydraulic Steering System
Battery Brake System
Lighting and Horn System Chassis
Figure 1-2 provides a functional representation of the tractor's electrical and drive systems.
80V
Battery
12V
DC/DC
INVERTER
STEERING
MOTOR
AXLE
MOTOR
controller
wiring
diagram
Accelerator
Pedal
Foot Brake
Pedal
Parking
Brake
Seat
Forward-
Neutral-
Reverse
Ignition
Switch
Rear
Inching Control
(OPTIONAL)
Display Gauge
(OPTIONAL)
Front
Diagnostic
Connector
Horn
Head
Light
Stop-Tail
Light
Back-up
Light
LED
LED
LED
Rear
Diagnostic
Connector

Table of Contents

Related product manuals