EasyManua.ls Logo

Vertiv SmartCabinet - Page 33

Vertiv SmartCabinet
160 pages
Print Icon
To Next Page IconTo Next Page
To Next Page IconTo Next Page
To Previous Page IconTo Previous Page
To Previous Page IconTo Previous Page
Loading...
Vertiv | SmartCabinet | User Manual 24
System Installation
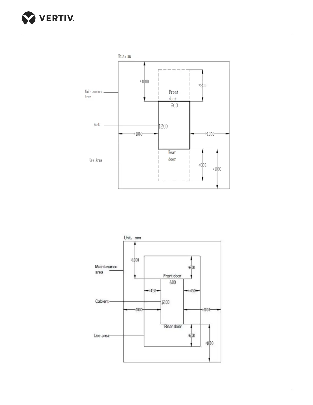
Following are the space requirements for the 800mm wide standard unit (Refer Figure 2-14):
Figure 2-14 Space requirements of the 800mm wide standard unit
Following are the space requirements for the 600mm wide unit with the integrated condenser unit (Refer
Figure 2-15):
Figure 2-15 Space requirements of the 600mm wide integrated condenser unit

Table of Contents

Related product manuals