EasyManua.ls Logo

Volvo Penta Electronic Control System - Page 44

Volvo Penta Electronic Control System
136 pages
Print Icon
To Next Page IconTo Next Page
To Next Page IconTo Next Page
To Previous Page IconTo Previous Page
To Previous Page IconTo Previous Page
Loading...
22
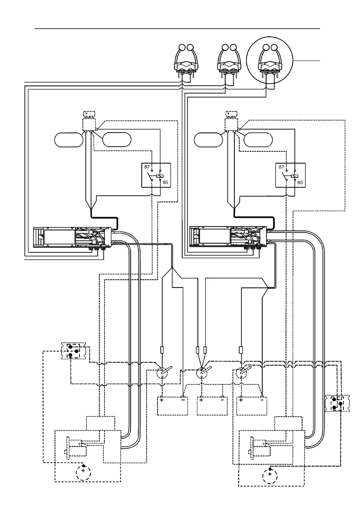
SCHALTPLAN, EINBAU FÜR ZWILLINGSMOTOR
Steuerungen 1, 2, 3
Siehe Abb. 4
Zündschlüssel
Ader Nr. 9, Plus (+)
Nr. 7 Dauer (+)
Starting
position (+)
Driving
position (+)
Nr. 4 ROT
Nr. 5 BLAU
Relais für
Start nur im
Leerlauf
Nr. 6 GELB (-)
SCHWARZ
Elektronikeinheit/
Antriebseinheit
Zündschlüssel
Ader Nr. 9, Plus (+)
Nr. 7 Dauer (+)
Startstellung
(+)
Fahrtstellung
(+)
Nr. 4 ROT
Nr. 5 BLAU
Relais für
Start nur im
Leerlauf
Nr. 6 GELB (-)
BLACK
Elektronikeinheit/Antriebseinheit
Nr. 8 Startsignal
Nr. 8 Startsignal
Drosselklappenkabel
Getriebeschaltkabel
Nr. 8 Startsignal
Drosselklappenkabel
Getriebeschaltkabel
Nr. 3 SCHWARZ; minus (-)
Nr. 3 SCHWARZ Minus (-)
Unterbrecher
Unterbrecher
Unterbrecher
Unterbrecher
Nr. 1 ROT
Hauptbatterie, plus (+)
Nr. 2 ROT/WEISS
Reservebatterie, plus (+)
Haupt-
schalter
Start battery
port
Service
battery
Start battery
starboard
Anschlußbox
Motor
Magnet
Startmotor
Nr. 10 Hauptader
Startermotor,
plus (+)
Nr. 10 Hauptader
Startermotor,
plus (+)
Anschlußbox
Motor
Magnet
Startmotor
Alle durchgehenden Linien betreffen
den Einbau der elektronischen Volvo Penta
Steuerung.
Alle gestrichelten Linien betreffen andere
Bootseinrichtungen.
Steuerbord-Motor
Backbord-Motor
GRAU
GRAU
30
86
30
86
Nr. 2 ROT/WEISS
Reservebatterie, plus (+)
Nr. 1 ROT Hauptbatterie, plus (+)
Einbauanleitung
Hauptschalter
Haupt-
schalter
Generator
Ladungs-
verteiler
Generator
Ladungsverteiler

Table of Contents

Related product manuals