EasyManua.ls Logo

Volvo Penta Electronic Control System - Page 43

Volvo Penta Electronic Control System
136 pages
Print Icon
To Next Page IconTo Next Page
To Next Page IconTo Next Page
To Previous Page IconTo Previous Page
To Previous Page IconTo Previous Page
Loading...
21
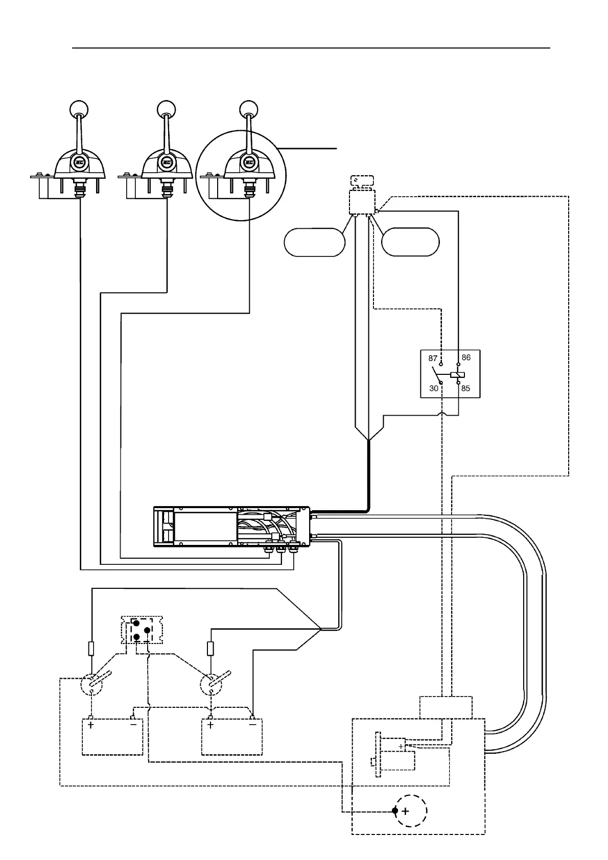
SCHALTPLAN, EINBAU FÜR EINZELMOTOR
Steuerungen 1,2,3
Siehe Abb. 4
Zündschlüssel
Ader Nr. 9, Plus (+)
Fahrtstellung
(+)
Startstellung
(+)
Nr. 8 Startsignal
Nr. 7 Dauer (+)
Relais für
Start nur im
Leerlauf
Nr. 4 ROT
Nr. 5 BLAU
Nr. 6 GELB (-)
SCHWARZ
Elektronikeinheit/Antriebseinheit
GRAU
Nr. 1 ROT Hauptbatterie plus (+)
Nr. 2 ROT/WEISS
Reservebatterie, plus (+)
Unterbrecher
Nr. 3 SCHWARZ
Minus (-)
Hauptschalter
Hauptschalter
Nr. 11 (-)
Starterbatterie
Servicebatterie
Nr. 10 Hauptzuleitung Startmotor, plus (+)
Magnet
Startmotor
Anschlußbox,
Motor
Nr. 8 Startsignal
Drosselklappenkabel
Getriebeschaltkabel
Alle durchgehenden Linien betreffen den Einbau der elektronischen
Volvo Penta Steuerung.
Alle gestrichelten Linien betreffen andere Bootseinrichtungen.
Unterbrecher
Einbauanleitung
Generator
Ladungsverteiler
Motor

Table of Contents

Related product manuals