EasyManua.ls Logo

Windsor Monaco - Extending Bedroom

Windsor Monaco
318 pages
Print Icon
To Next Page IconTo Next Page
To Next Page IconTo Next Page
To Previous Page IconTo Previous Page
To Previous Page IconTo Previous Page
Loading...
WINDSOR
Equipment
------------------------------------------------------------------------------------------------------------------------------------------------------------------------------------------------------------------------------------------------------------------------------------------------------------------
5•137
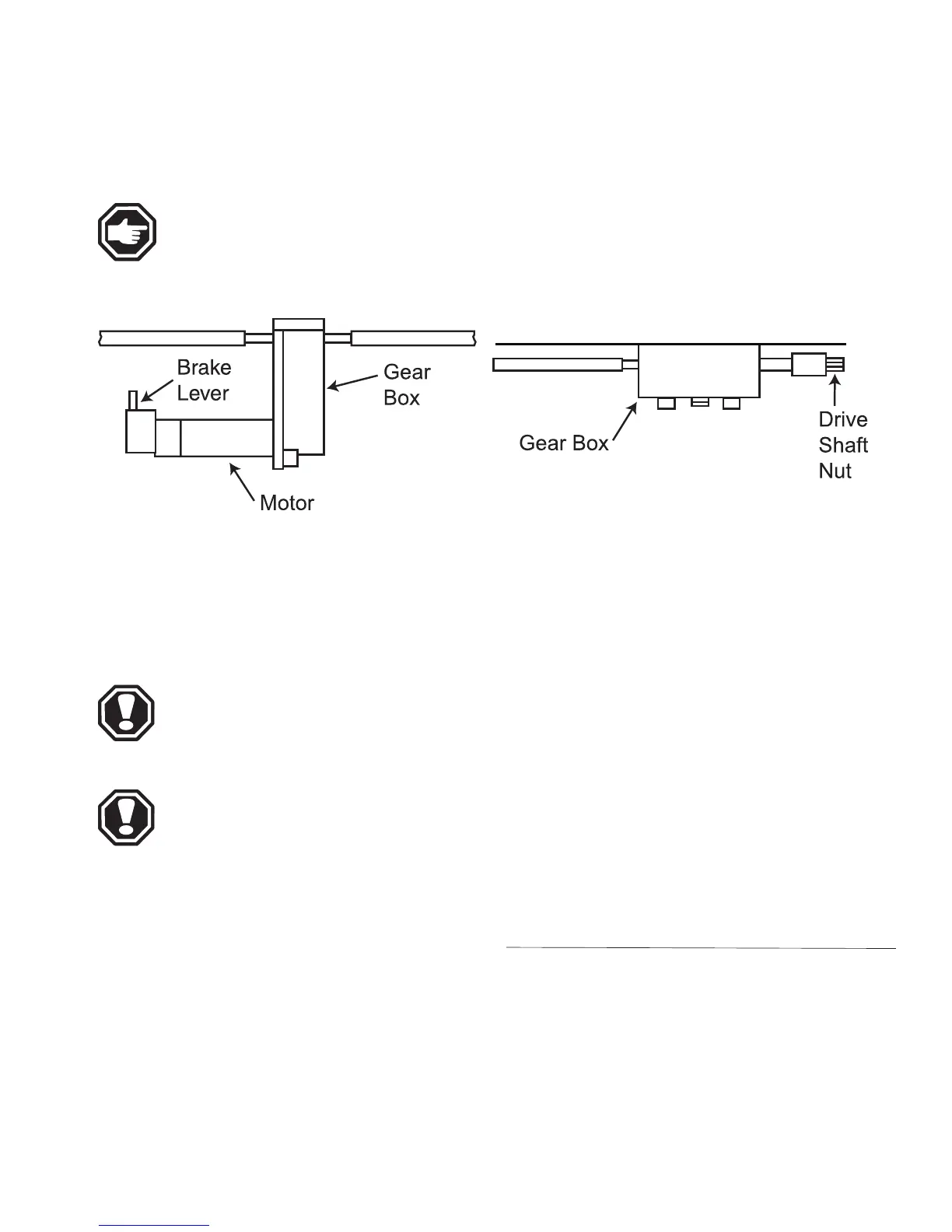
4. Once the room is in apply pressure to the wrench so that the room
is sealed. Return the brake lever to its normal position to lock the
room in place. Install the transit bar.
5. Take the motorhome to an authorized dealer for service.
NOTE: The slide-out room is heavy and may require several
persons to push it into the retracted position. Once the slide-
out room is in the fully retracted position, return the brake
level to the lock position to hold the room in place.
Before operation of the slide-out system:
• The path for the room to move is clear.
The battery is fully charged and hooked up to the electrical system.
All storage compartment doors under the slide-out are closed.
• The slide locks are removed.
WARNING: Confirm there is five or more feet of clear
space outside of the motorhome before moving the slide-out
room to the OUT position. Check that all cabinet doors are
securely closed before extending or retracting the rooms.
CAUTION: Do not operate the slide-out room when the bat-
tery has been removed from the motorhome. Use with the
converter only may damage the slide-out electrical compo-
nents. Continuous operation of the slide-out room can drain
the battery and damage the slide-out motor from overheat-
ing. Never move the motorhome without having
the slide-out room retracted.
To Extend the Bedroom Slide:
1. Locate the two locking bar mechanisms on top of the slide-out room
inside the motorhome. Push in on the lock button to release the bar
mechanisms and remove the bars from between the wall and the top
of the slide-out room. Store the bars for reuse before the motorhome
is moved. The slide lock may double as a towel bar or extra closet rod.
Extending Bedroom

Table of Contents