EasyManua.ls Logo

Yanmar 4JH4E - Page 170

Yanmar 4JH4E
350 pages
Print Icon
To Next Page IconTo Next Page
To Next Page IconTo Next Page
To Previous Page IconTo Previous Page
To Previous Page IconTo Previous Page
Loading...
4. Disassembly and reassembly
150
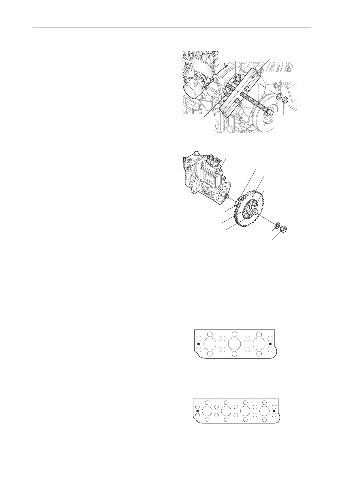
(19) Removing the fuel injection pump
1) Loosen the nut for fuel pump drive gear, and
pull out the fuel pump drive gear/flange
assembly with an extraction tool. Don't
disassemble pump flange, fuel pump drive
gear and pump flange bolt.
2) Remove the fuel injection pump and O-ring
from the gear case flange. (3JH4E and
4JH4E).
Remove the fuel injection pump and O-ring
from the VE pump bracket, which is fixed to
the gear case flange (4JH4-TE and 4JH4-
HTE).
(20) Removing the rocker arm shaft assembly
1) Remove the rocker arm cover.
2) Remove the bolts for the rocker arm shaft
support, and remove the entire rocker arm
shaft assembly.
3) Pull out the push rods.
(21) Removing the cylinder head
1) Loosen the cylinder head bolts with a torque
wrench, and remove the cylinder head.
Note:
Loosen the cylinder head bolts in two steps
in the illustrated order.
Place the cylinder head on a paper board to
prevent the combustion surface from any
damage.
2) Remove the cylinder head gasket.
Pump flange bolt
Pump Drive
gear nut
Spring washer
Fuel pump
drive gear
Extraction tool
015350-00X
Fuel injection pump
Spring washer
Fuel injection
pump drive gear
Pump drive gear nut
Pump flange
Don't disassemble
Pump flange bol
t
010629-01E
8
6
14
13
5
7
9
11
3
1
2
4
12
10
Gear case side
Fuel injection pump side
011225-00E
6
8
4
2
14
15
12
10
16
13
18
17
7
5
9
11
1
3
Fuel injection pump side
Gear case side
011226-00E
Disassembly (Head bolt disassembly order)
Disassembly (Head bolt disassembly order
)

Table of Contents

Related product manuals