EasyManua.ls Logo

YASKAWA SGM-A3 - Page 163

YASKAWA SGM-A3
513 pages
Print Icon
To Next Page IconTo Next Page
To Next Page IconTo Next Page
To Previous Page IconTo Previous Page
To Previous Page IconTo Previous Page
Loading...
APPLICATIONS OF Σ-SERIES PRODUCTS
3.8.4 Using Regenerative Units cont.
150
4) Connecting a Regenerative Unit
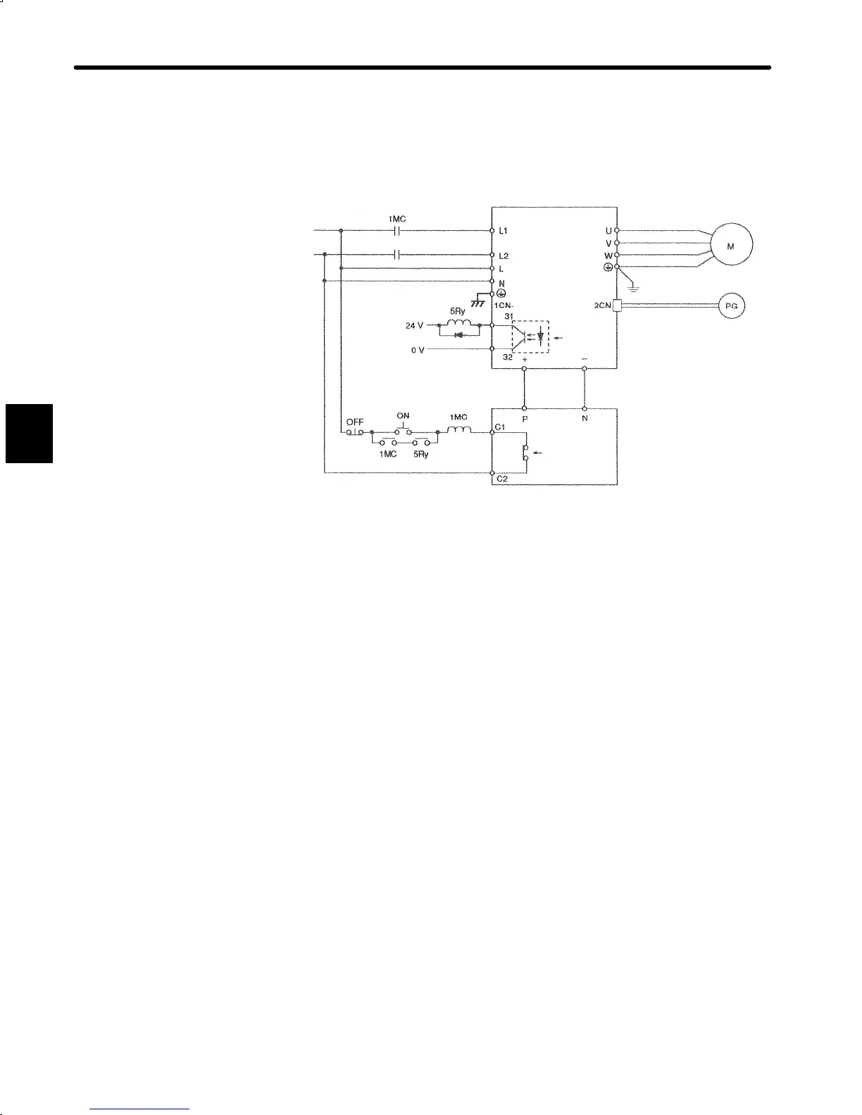
The standard connection diagram for a regenerative unit is shown below.
Single-phase
200-230 VAC or
100-115 VAC
DR2 Servopack (DR2-A3A, A5A, 01A or 02A)
Alarm
Alarm
Regenerative unit
Servomotor
Photocoupler
a) A regenerative unit has the following fault detection functions:
Detecting broken wiring in a regenerative resistor
Detecting faults in a regenerative transistor
Detecting overvoltage
b) When one of these fault detection functions operates, the internal alarm relay is actu-
ated. Then, the circuit between output terminals C1 and C2 is opened.
c) Form a sequence so that the Servopack main power is turned OFF when the alarm
relay is actuated.
d) Once the alarm relay is actuated, it takes two or three seconds until the system returns
to the normal state. This time is required for the main capacitor inside the Servopack
to discharge electricity.
3

Table of Contents

Related product manuals