EasyManua.ls Logo

YASKAWA SGM-A3 - Page 426

YASKAWA SGM-A3
513 pages
Print Icon
To Next Page IconTo Next Page
To Next Page IconTo Next Page
To Previous Page IconTo Previous Page
To Previous Page IconTo Previous Page
Loading...
INSPECTION, MAINTENANCE, AND TROUBLESHOOTING
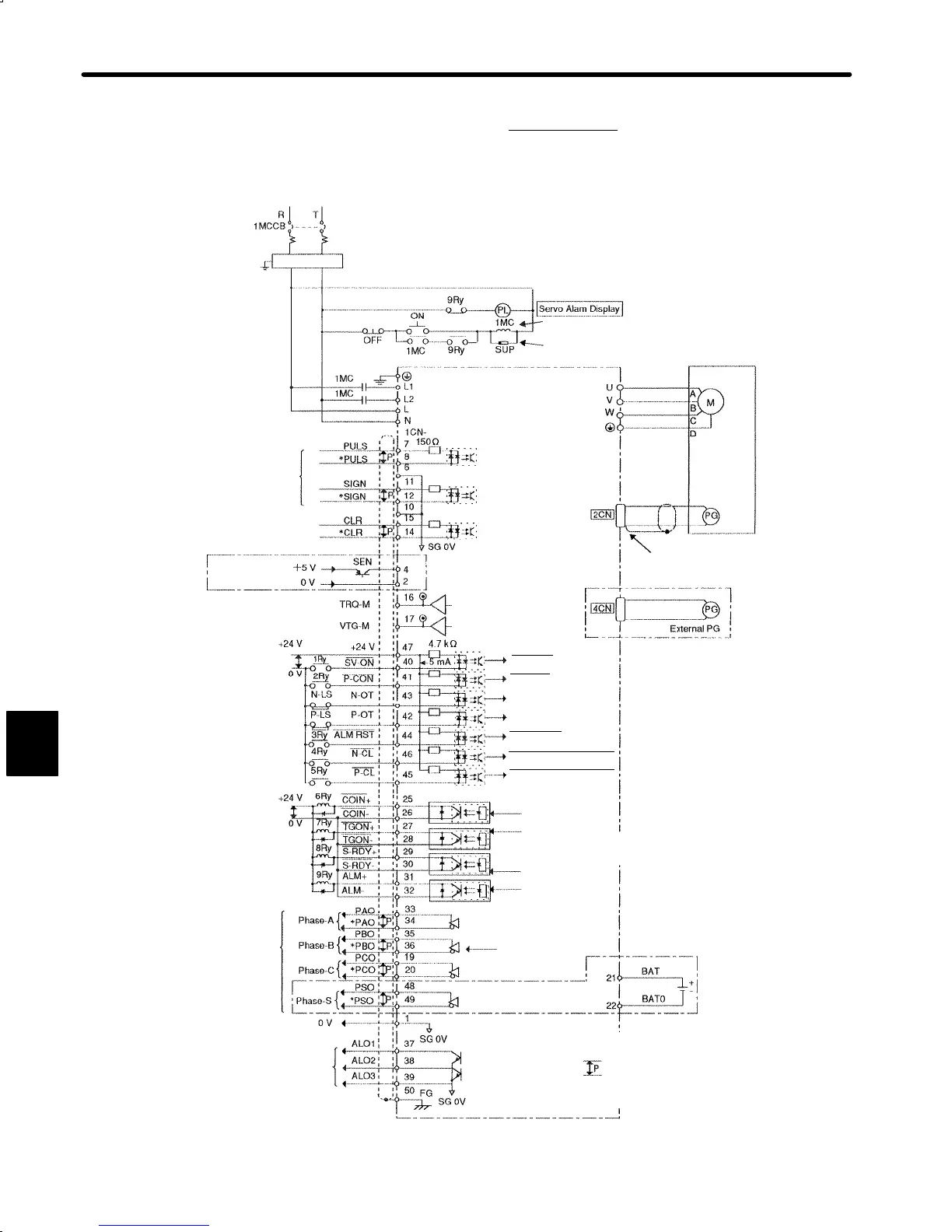
6.2.3 Internal Connection Diagram and Instrument Connection Examples cont.
414
3) Instrument Connection Examples Position Control
Single-phase 200 to 230VAC %, 50/60Hz
+10
-15
Noise Filter
Power Supply
SEN Signal Input
Reference Pulse
(Max. 450kpps)
For Power Supply Switching
Attach surge suppressor to megnetic contactor and relays.
Torque Monitor: 3V/100%
Speed Monitor: 2V/1000r/min
Servomotor
Correctly terminate end of
shielded cable.
Servo ON at 1Ry ON
P Control at 2Ry ON
Reverse Drive Disabled at N-LS OPEN
Forward Drive Disabled at P-LS OPEN
Alarm Reset at 3Ry ON
Reverse Torque Limit ON at 4Ry ON
Forward Torque Limit ON at 5Ry ON
6Ry ON for Positioning Completed
7Ry ON for TGON
8Ry ON for Servo Ready
9Ry ON for Servo Alarm
PG Output
Line Driver
Alarm Code Output
DR2 Servopack
Servo ON
P Control
Reverse Drive Disabled
Forward Drive Disabled
Alarm
Reset
Reverse Torque Limit ON
Forward Torque Limit ON
Positioning Completed
TGON
(ON when the motor zero-
speed level (set in the user
constant) is exceeded.)
Servo Ready
Servo Alarm
Line Driver
(Made by T-I)
Photocoupler Output
Maximum operational
voltage: 30VDC
Maximum operational
current: 50mA
When absolute encoder is used
For 100VAC Application
Single-phase 100 to 115VAC %, 50/60Hz
+10
-15
Error Counter Clear Signal
(Active High)
Encoder
When absolute encoder is used
Notes:
1. The capacity of each output circuit is below
30VDC, 50mA.
2. : Twisted pair wires
3. I/O power supply must be prepared by
customers.
Fullclosed type only
6

Table of Contents

Related product manuals