EasyManua.ls Logo

YASKAWA SGMJV - Page 55

YASKAWA SGMJV
400 pages
To Next Page IconTo Next Page
To Next Page IconTo Next Page
To Previous Page IconTo Previous Page
To Previous Page IconTo Previous Page
Loading...
3 Wiring and Connection
3.1.3 Typical Main Circuit Wiring Examples
3-8
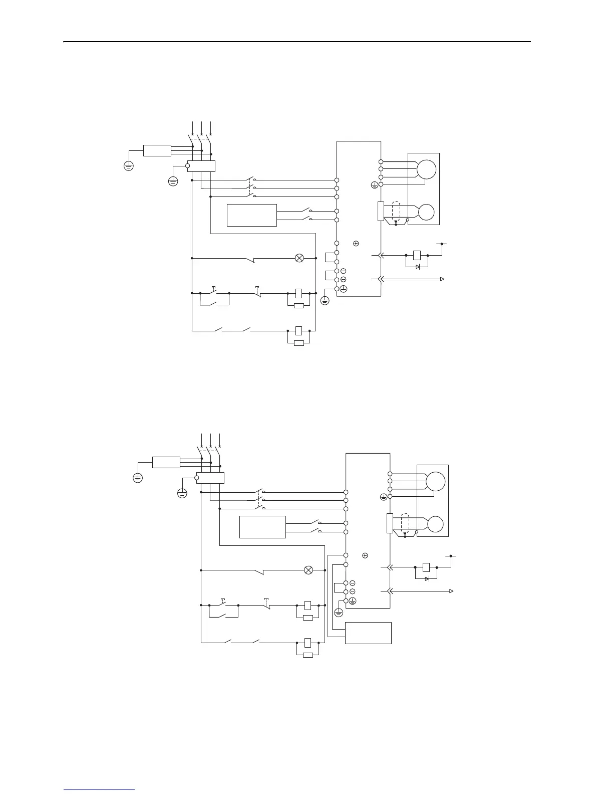
Three-phase 400 V, SGDV-D
SGDV-1R9D, 3R5D, 5R4D, 8R4D, 120D, 170D
SGDV-210D, 260D, 280D, 370D
1QF: Molded-case circuit breaker
1FIL: Noise filter
1KM: Magnetic contactor (for control power supply)
2KM: Magnetic contactor (for main power supply)
1Ry: Relay
1PL: Indicator lamp
1SA: Surge absorber
2SA: Surge absorber
3SA: Surge absorber
1D: Flywheel diode
ENC
SGDV-D
U
V
W
M
0 V
1Ry
ALM+
ALM
31
32
1D
CN1
1QF
RST
1FIL
+24 V
3SA
B2
B3
1
2
B1/
1Ry
1PL
1KM
2KM
1SA
1Ry1KM
2SA
L1
2KM
L2
L3
24V
DC power
supply
24V
+
1KM
0V
1KM
(For servo
alarm display)
supply ON
Servo power
supply OFF
Servo power
SERVOPACK
ENC
SGDV-D
U
V
W
M
0 V
1Ry
ALM+
ALM
31
32
1D
CN1
1QF
RST
1FIL
+24 V
3SA
B2
1
2
B1/
1Ry
1PL
1KM
2KM
1SA
1Ry1KM
2SA
L1
2KM
L2
L3
24V
DC power
supply
(24 V)
+
1KM
0V
1KM
Regenerative
resistor unit
(For servo
alarm display)
supply ON
Servo power
supply OFF
Servo power
SERVOPACK
1QF: Molded-case circuit breaker
1FIL: Noise filter
1KM: Magnetic contactor (for control power supply)
2KM: Magnetic contactor (for main power supply)
1Ry: Relay
1PL: Indicator lamp
1SA: Surge absorber
2SA: Surge absorber
3SA: Surge absorber
1D: Flywheel diode

Table of Contents

Related product manuals