EasyManua.ls Logo

YASKAWA SGMJV

YASKAWA SGMJV
400 pages
To Next Page IconTo Next Page
To Next Page IconTo Next Page
To Previous Page IconTo Previous Page
To Previous Page IconTo Previous Page
Loading...
3 Wiring and Connection
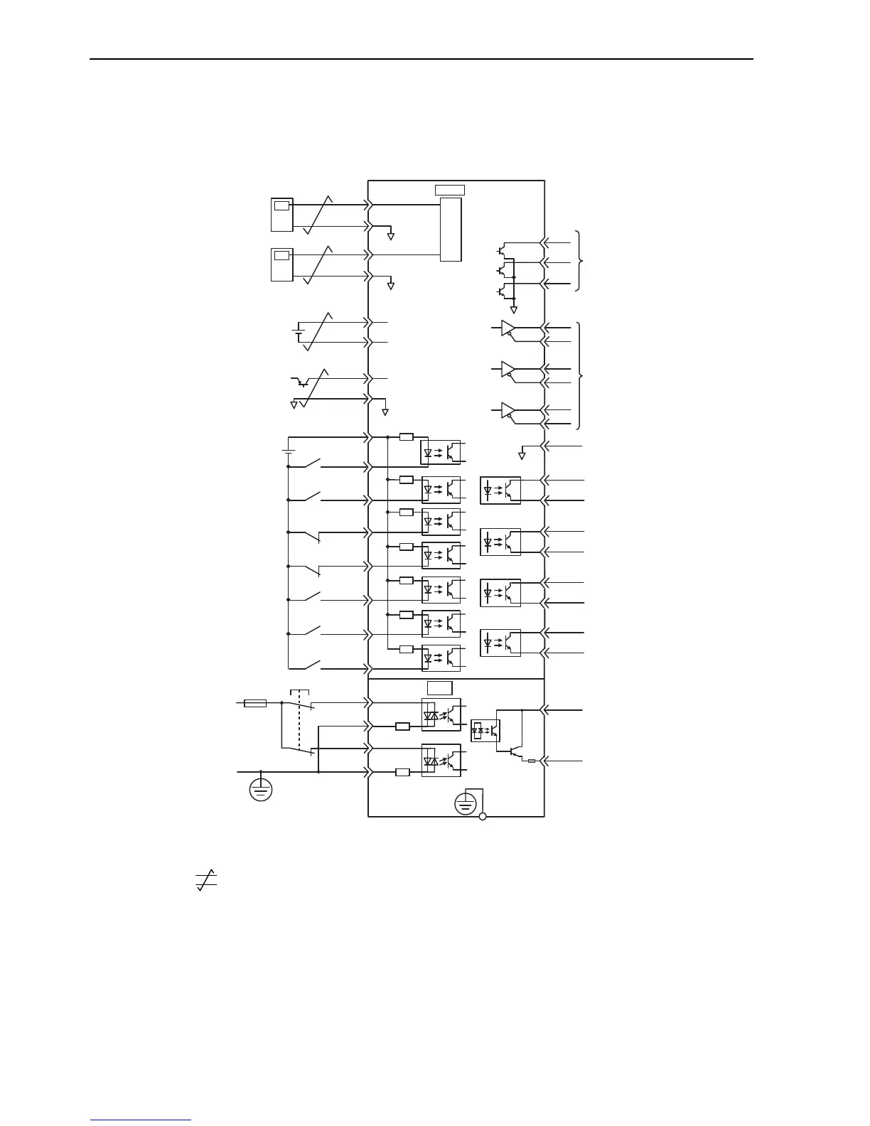
3.2.6 Example of I/O Signal Connections in Torque Control
3-22
3.2.6 Example of I/O Signal Connections in Torque Control
Connection example in torque control mode is as shown below.
∗1. represents twisted-pair wires.
∗2. Connect when using an absolute encoder. When the encoder cable for the battery case is connected, do not connect a
backup battery.
∗3. Enabled by the parameter setting.
∗4. The 24 VDC power supply is not included. Use a power supply with a double-shielded enclosure.
∗5. To turn the servomotor power ON, a safety device must be connected and the wiring to activate the safety function
must be done. When not using the safety function, use the SERVOPACK with the plug (JZSP-CVH05-E, provided as
an accessory) inserted into the CN8.
BAT+
BAT-
PBO
PCO
/PBO
PAO
/PAO
/PCO
/VLT+
/VLT-
/TG
ON
+
/TG
ON
-
/S-RDY+
ALM+
ALM-
22
21
10
27
28
29
30
31
32
25
26
19
33
34
35
36
20
+24 V
+24 VIN
3.3 kǡ
/S-ON
/P-CON
P-OT
N-OT
/ALM-RST
/N-CL
47
41
43
42
44
45
/P-CL
46
40
/S-RDY-
*
2
V-REF
SERVOPACK
SG
A / D
5
6
*
1
T-REF
SG
9
*
4
2
+5 V
0 V
SEN
SG
4
*
2
*
3
ALO1
ALO2
ALO3
37
38
39
1
SG
Encoder output pulses
Applicable line receiver
SN75ALS175 or MC3486
manufactured by Texas
Instruments or the equivalent
Backup battery
2.8 to 4.5 V
Servo on
(Servo ON when ON)
Reverse run prohibited
(Prohibited when OFF)
Forward run prohibited
(Prohibited when OFF)
Alarm reset
(Reset when ON)
Reverse torque limit
(Limit when ON)
Forward torque limit
(Limit when ON)
P control
(P control when ON)
TGON output
(ON when the motor speed
exceeds the settings.)
Servo alarm output
(OFF for an alarm)
Photocoupler output
Max. operating voltage:
30 VDC
Max. output output:
50 mA DC
Speed limit output
(ON when the motor's
running speed is limited.)
*
3
Torque reference
(Max. input
voltage range:
± 12 V)
SEN signal input
Alarm code output
Max. operating voltage:
30 VDC
Max. output current:
20 mA DC
External speed limit
(Max. input
voltage range:
± 12 V)
Servo ready output
(ON when ready)
EDM1+
EDM1-
FG
Connect shield to
connector shell.
Connector
shell
SERVOPACK
/HWBB1+
/HWBB1-
/HWBB2+
/HWBB2-
Switch
fuse
24 V
0 V
Safety device
*
5
CN8
6
3
4
5
CN1
8
7
D/A
D/A

Table of Contents

Related product manuals