EasyManua.ls Logo

YASKAWA SGMJV - Page 58

YASKAWA SGMJV
400 pages
To Next Page IconTo Next Page
To Next Page IconTo Next Page
To Previous Page IconTo Previous Page
To Previous Page IconTo Previous Page
Loading...
3.1 Main Circuit Wiring
3-11
3
Wiring and Connection
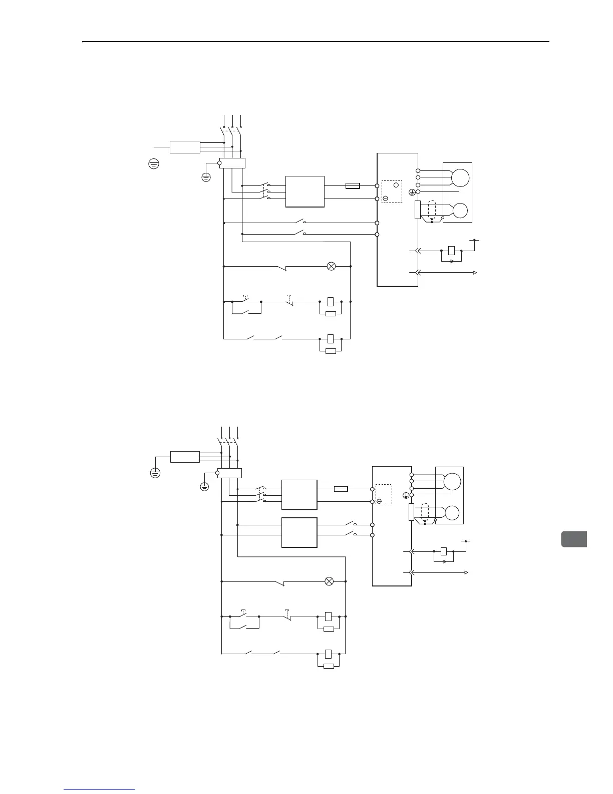
(2) Wiring Example with DC Power Supply Input
200 V SERVOPACK SGDV-A
400 V SERVOPACK SGDV-D
Terminal names differ from model of SERVOPACK. Refer to (1) DC Power Supply Input Terminals for the Main and Con-
trol Circuits.
Note: The SERVOPACK that can use a DC power supply is not capable of processing the regenerated energy. Provide
measures to process the regenerated energy on the power supply.
1QF: Molded-case circuit breaker
1FIL: Noise filter
1KM: Magnetic contactor (for control power supply)
2KM: Magnetic contactor (for main power supply)
1Ry: Relay
1PL: Indicator lamp
1SA: Surge absorber
2SA: Surge absorber
3SA: Surge absorber
1D: Flywheel diode
1KM
1Ry
1PL
1KM
2KM
1SA
1Ry1KM
2SA
SERVOPACK
SGDV-A
1FU
2KM
ENC
U
V
W
M
0 V
1Ry
ALM+
ALM
31
32
1D
CN1
+24 V
1KM
AC/DC
1QF
RS T
1FIL
3SA
(For servo
alarm display)
supply ON
Servo power
supply OFF
Servo power
L1C
L2C
B1/
2
+
*
1QF: Molded-case circuit breaker
1FIL: Noise filter
1KM: Magnetic contactor (for control power supply)
2KM: Magnetic contactor (for main power supply)
1Ry: Relay
1PL: Indicator lamp
1SA: Surge absorber
2SA: Surge absorber
3SA: Surge absorber
1D: Flywheel diode
SERVOPACK
SGDV-D
1FU
2KM
ENC
U
V
W
M
0 V
1Ry
ALM+
ALM
31
32
1D
CN1
+24 V
AC/DC
1QF
RS T
1FIL
3SA
AC/DC
1KM
1Ry
1PL
1KM
2KM
1SA
1Ry1KM
2SA
1KM
(For servo
alarm display)
supply ON
Servo power
supply OFF
Servo power
24 V
0 V
B1
2
*

Table of Contents

Related product manuals