EasyManua.ls Logo

YASKAWA V1000 - Page 74

YASKAWA V1000
231 pages
Print Icon
To Next Page IconTo Next Page
To Next Page IconTo Next Page
To Previous Page IconTo Previous Page
To Previous Page IconTo Previous Page
Loading...
n
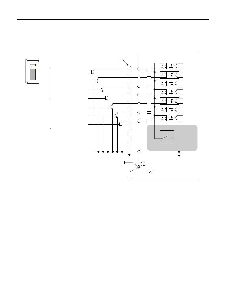
Transistor Input Signal Using 0 V Common/Sink Mode
When controlling the digital inputs by NPN transistors (0 V common/sinking mode), set the
DIP switch S3 to SINK and use the internal 24 V power supply.
Drive
Shielded cable
Forward run/stop
Reverse run/stop
External fault N.O.
Fault reset
Multi-speed step 1
Multi-speed step 2
Jog reference
Multi-function input
S1
S2
S3
S3
+24V
S4
S5
S6
S7
SC
SINK
SOURCE
SINK
SOURCE
Figure 3.20 Sinking Mode: Sequence from NPN Transistor (0 V Common)
3.6 I/O Connections
74
YASKAWA ELECTRIC TOEP C710606 47A YASKAWA AC Drive – V1000 Quick Start Guide

Table of Contents

Other manuals for YASKAWA V1000

Related product manuals