EasyManua.ls Logo

YASKAWA V1000 - Page 75

YASKAWA V1000
231 pages
Print Icon
To Next Page IconTo Next Page
To Next Page IconTo Next Page
To Previous Page IconTo Previous Page
To Previous Page IconTo Previous Page
Loading...
n
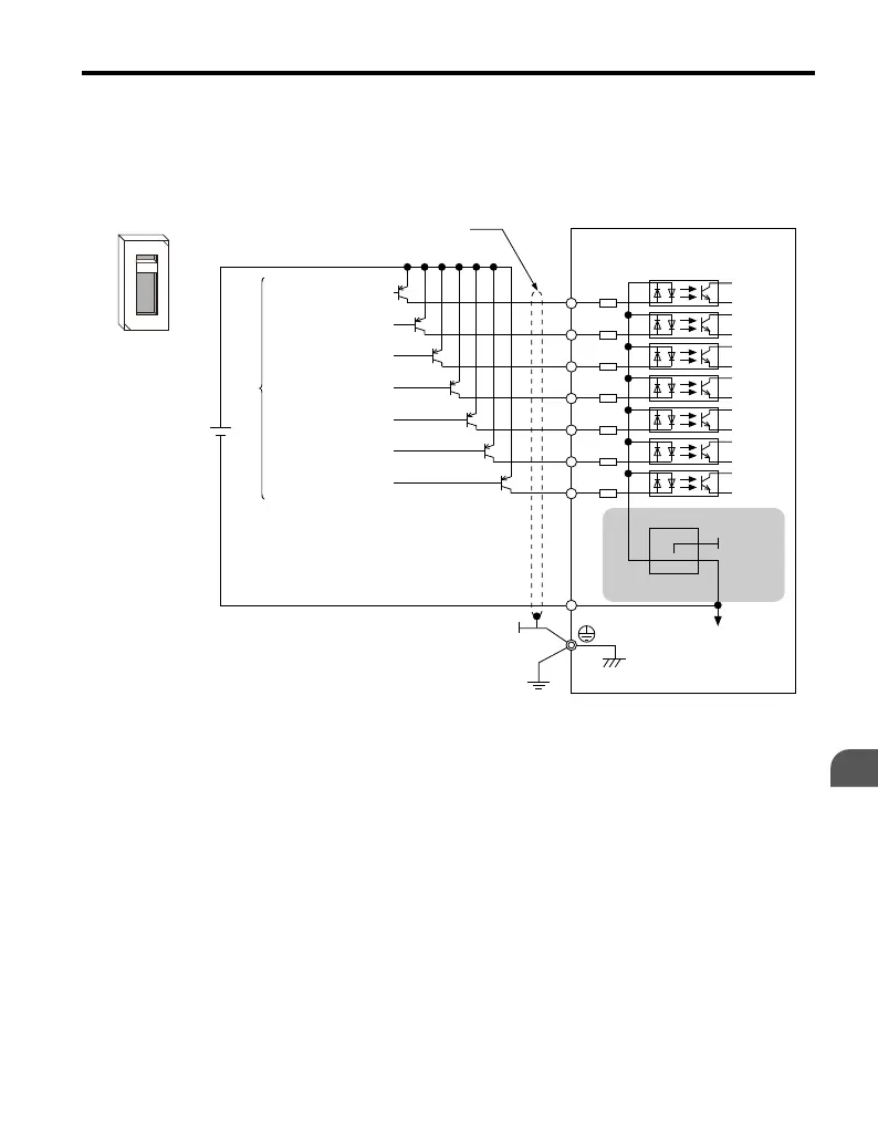
Transistor Input Signal Using +24 V Common/Source Mode
When controlling digital inputs by PNP transistors (+24 V common/sourcing mode), set the
DIP switch S3 to SOURCE and use an external 24 V power supply.
Forward run / stop
Reverse run / stop
External fault N.O.
Fault rest
Multi-step speed 1
Multi-step speed 2
Jog frequency
External
power supply
Shielded cable
Drive
Multi-function input
S1
S2
S3
+24V
S4
S5
S6
S7
SC
S3
SINK
SOURCE
+24 V
SINK
SOURCE
Figure 3.21 Source Mode: Sequence from PNP Transistor (+24 V Common)
3.6 I/O Connections
YASKAWA ELECTRIC TOEP C710606 47A YASKAWA AC Drive – V1000 Quick Start Guide
75
3
Electrical Installation

Table of Contents

Other manuals for YASKAWA V1000

Related product manuals