EasyManua.ls Logo

ABB ACS800-104

ABB ACS800-104
210 pages
To Next Page IconTo Next Page
To Next Page IconTo Next Page
To Previous Page IconTo Previous Page
To Previous Page IconTo Previous Page
Loading...
131
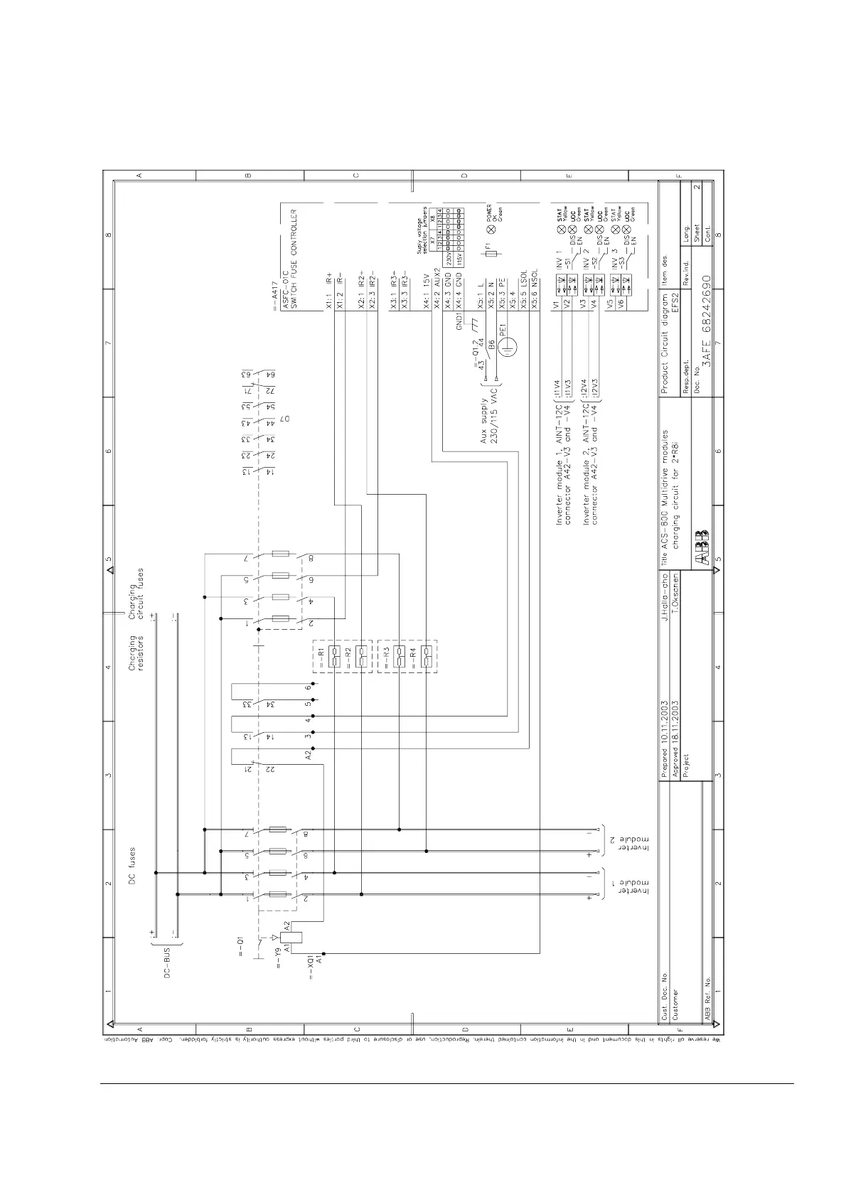
R8i

Table of Contents

Other manuals for ABB ACS800-104

Related product manuals