EasyManua.ls Logo

ABB ACS800-104

ABB ACS800-104
210 pages
To Next Page IconTo Next Page
To Next Page IconTo Next Page
To Previous Page IconTo Previous Page
To Previous Page IconTo Previous Page
Loading...
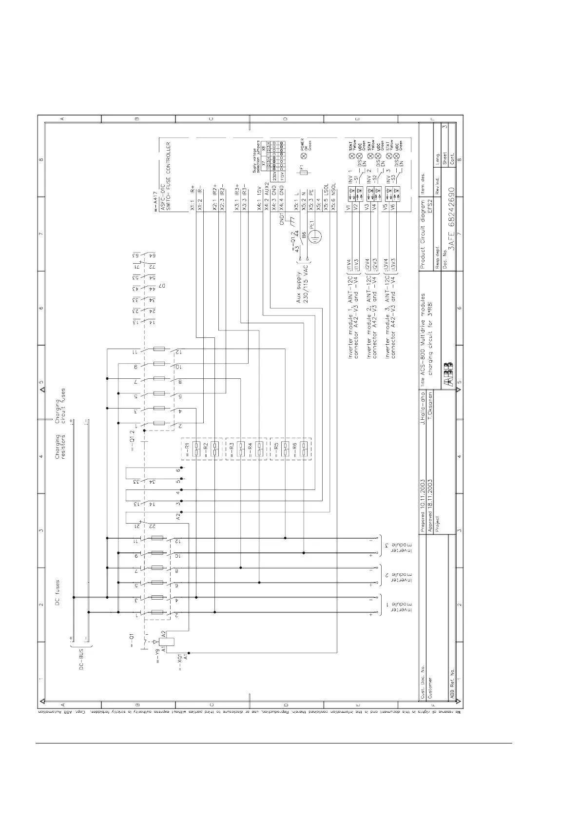
132
3×R8i

Table of Contents

Other manuals for ABB ACS800-104

Related product manuals