EasyManua.ls Logo

ABB ACS800-104

ABB ACS800-104
210 pages
To Next Page IconTo Next Page
To Next Page IconTo Next Page
To Previous Page IconTo Previous Page
To Previous Page IconTo Previous Page
Loading...
Hardware description
15
Hardware description
What this chapter contains
This chapter describes a typical drive system and the hardware of the inverter
modules. The information is valid for all ACS800-104 inverter modules.
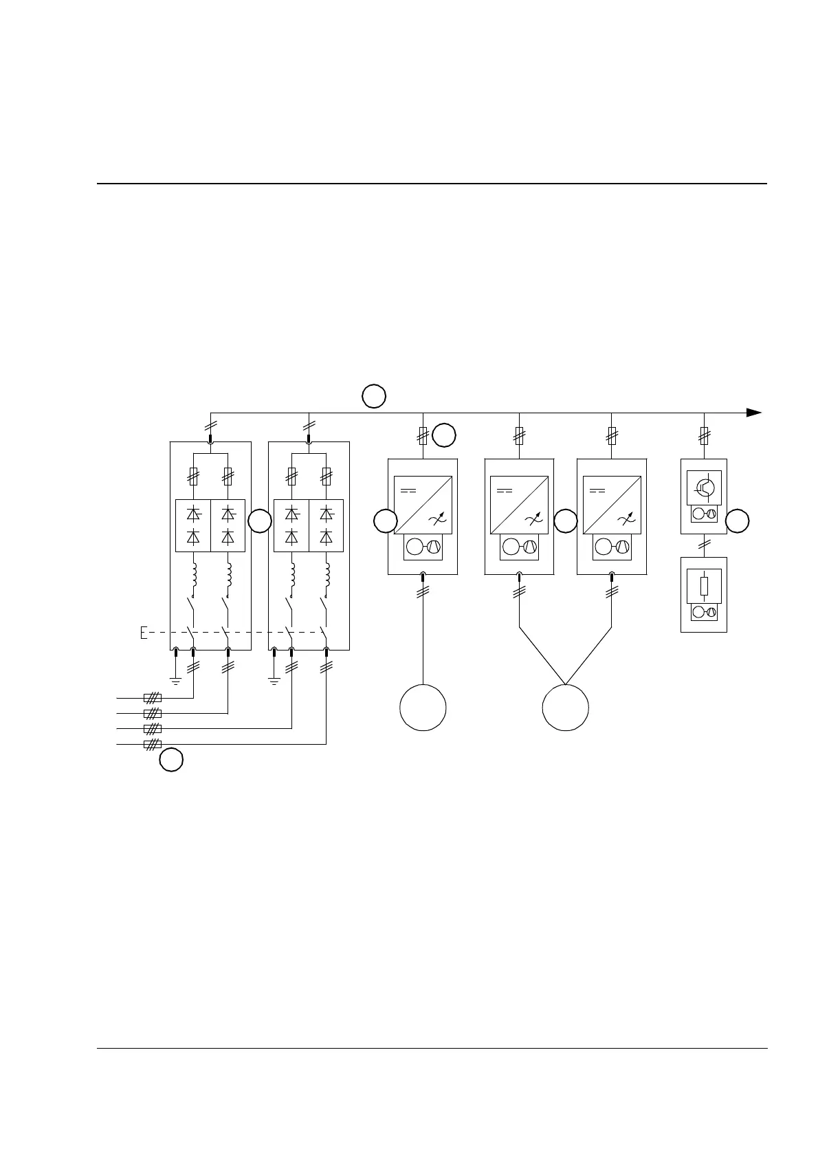
Typical drive system
The diagram below depicts a common DC bus drive system.
1 – Input (AC) fuses
2 – Supply unit (in this example, consisting of two supply modules)
3 – DC bus
4 – Inverter DC fuses
5 – Inverter units (in this example, one of the units consists of two
inverter modules connected in parallel)
6 – Brake chopper(s) (optional)
M
3~
M
M
MMM
M
3~
2
1
5 5 6
3
4

Table of Contents

Other manuals for ABB ACS800-104

Related product manuals