EasyManua.ls Logo

ABB ACS880-104

ABB ACS880-104
664 pages
To Next Page IconTo Next Page
To Next Page IconTo Next Page
To Previous Page IconTo Previous Page
To Previous Page IconTo Previous Page
Loading...
Program features 73
Example parameter settings
The following is a checklist of parameters that need to be set when configuring the
master/follower link. In this example, the master broadcasts the Follower control
word, a speed reference and a torque reference. The follower returns a status word
and two actual values (this is not compulsory but is shown for clarity).
Master settings
:
Master/follower link activation
60.01 M/F communication port (fiber optic channel or XD2D selection)
•(60.02 M/F node address = 1)
60.03 M/F mode = DDCS master (for both fiber optic and wire connection)
60.05 M/F HW connection (Ring or Star for fiber optic, Star for wire)
Data to be broadcast to the followers
61.01 M/F data 1 selection = Follower CW (Follower control word)
61.02 M/F data 2 selection = Used speed reference
61.03 M/F data 3 selection = Torque reference act 5
Data to be read from the followers (optional)
60.14 M/F follower selection (selection of followers that data is read from)
62.04 Follower node 2 data 1 sel62.12 Follower node 4 data 3 sel
(mapping of data received from followers)
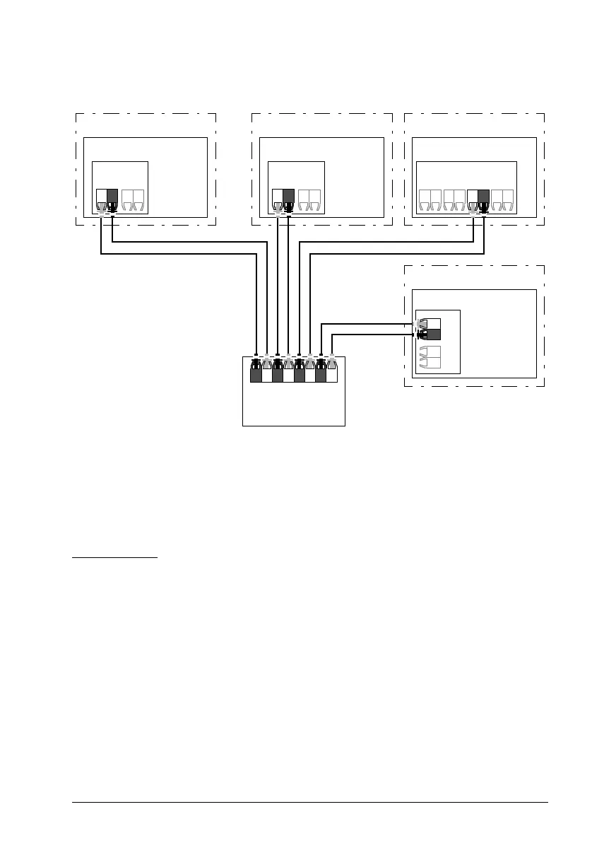
Follower 3
(ZCU) Control unit
FDCO
Follower 1
Star configuration with fiber optic cables (2)
T = Transmitter
R=Receiver
NDBU
CHx CHx
R T R T
RT
(ZCU) Control unit
Follower 2
(BCU) Control unit
RDCO
RT
CH2
FDCO
RT
Master
(ZCU) Control unit
FDCO
RT
CHx CHx
R T R T
X13 = REGEN

Table of Contents

Other manuals for ABB ACS880-104

Related product manuals