EasyManua.ls Logo

Adtech iMASTER – A1 Series - Start;Stop;Direction

Default Icon
198 pages
Print Icon
To Next Page IconTo Next Page
To Next Page IconTo Next Page
To Previous Page IconTo Previous Page
To Previous Page IconTo Previous Page
Loading...
A1-User’s Manual
106
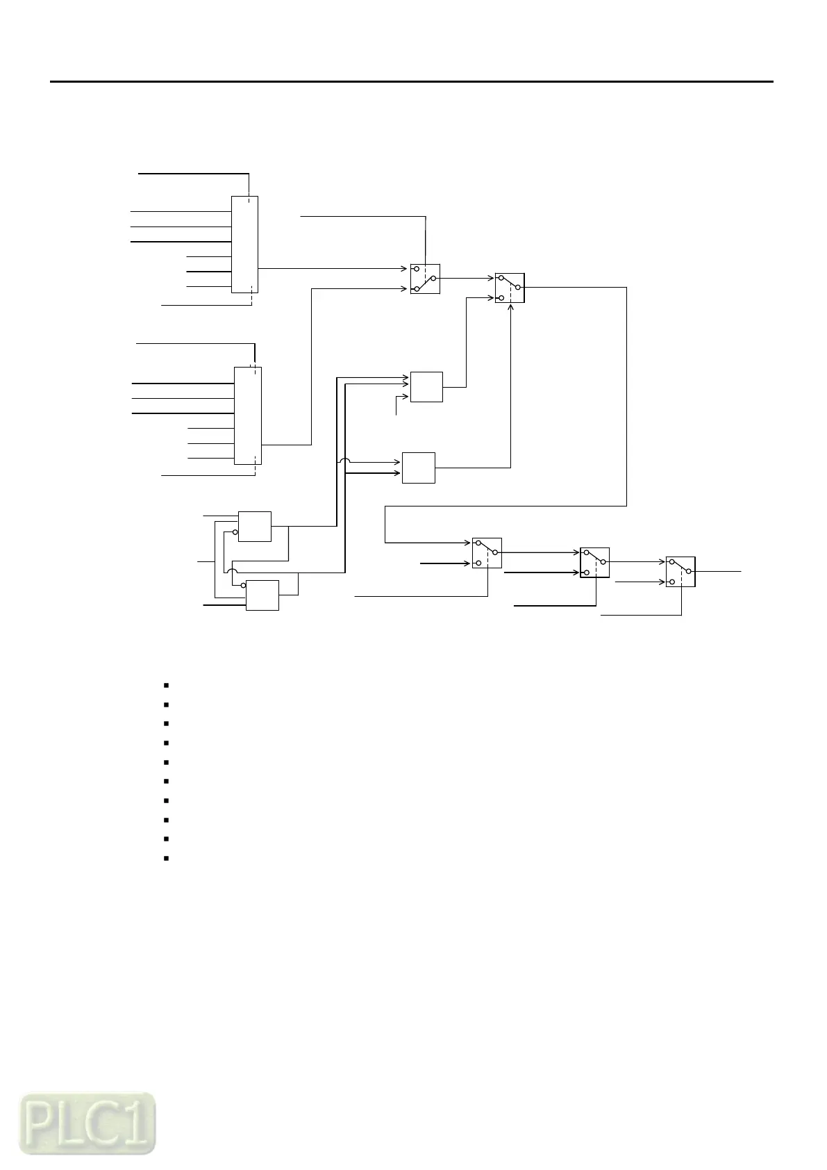
8.2.9 Start/Stop/Direction
20.07 (Ext2 in source 1)
20.08 (Ext2 in source 2)
20.09 (Ext2 in source 3)
Modbus
Fieldbus
Keyapd
20.02 (Ext1 commands)
20.01 (Ext1 / Ext2 selection)
AND
AND
20.12 (Jogging 1 start source)
20.10 (Jogging enable)
20.11 (Jogging 1 start source)
Jog1
Jog2
OR
Local / Remote selection
03.01 (Current trip)
99.08 (Auto tuning)
Auto Tuning RUN
Run Signal
Local Run
Local / Remote selection button
Auto Tuning
Stop Signal
Jog flag
20.13 (Direction)
20.13 (Direction)
20.03 (Ext1 in source 1)
20.04 (Ext1 in source 2)
20.05 (Ext1 in source 3)
Modbus
Fieldbus
Keyapd
20.06 (Ext2 commands)
20.13 (Direction)
Jog
20.01 Ext1/Ext2 selection
0: Ext1 ----- Initial value
1: Ext2
2: DI1
3: DI2
4: DI3
5: DI4
6: DI5
7: DI6
8: DI7
9: DI8
It can use to external commands as local/remote function
Set 0: Ext1
It works by value at
'20.02' (Ext1 commands)
Set 1: Ext2
It works by value at
'20.03' (Ext2 commands)
Set 2~9: DI1~DI8
If set terminal input is OFF, operation command method 1,
When it is ON, it operates with operation command method 2.

Table of Contents