EasyManua.ls Logo

Adtech iMASTER – A1 Series - A1 Terminal Connection Diagram and Description

Default Icon
198 pages
Print Icon
To Next Page IconTo Next Page
To Next Page IconTo Next Page
To Previous Page IconTo Previous Page
To Previous Page IconTo Previous Page
Loading...
A1-User’s Manual
25
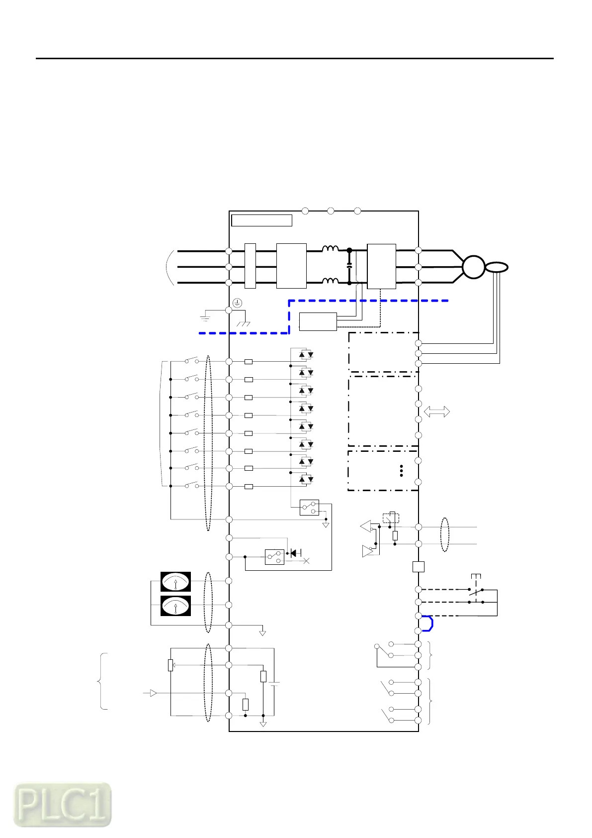
4.1.3 A1Terminal Connection Diagram and Description
1) A1 VFD terminal connection overview is shown below. There are three segments of
Connections
Power Circuit
Control Circuit
Communication Circuit
R
S
T
U
V
W
P
FM
H
O
OI
L
DC
0
~
10
V
DC
4
~
20
mA
AL
1
AL
2
AL
0
RN
0
RN
1
iMASTER
IM
T
1
T
2
T
3
Rectifier
Inverter
Signal
line
L
12
V
200
O
10
k
O
N
RN
2
RN
3
AMI
DC
0
~
10
V
DC
4
~
20
mA
PG
A
B
Z
<
1
>
Encoder
F
/
B
OPTION
E
M
C
Control
PCB
Analog monitor output
2
(
Output frequency
)
Analog monitor output
1
(
Output current
)
Analog input
1
,
Potentiometer
(
1
~
10
k
Ω
,
1
W
)
Analog input
2
(
4
~
20
mA
)
Main
Frequency
reference
Fault relay output
250
Vac
,
max
2
.
5
A
30
Vdc
,
max
3
.
0
A
(
min
.
5
Vdc
,
10
mA
)
Multi
-
function relay output
250
Vac
,
max
2
.
5
A
30
Vdc
,
max
3
.
0
A
(
min
.
5
Vdc
,
10
mA
)
200
V
?
Earth Ground D Type
400
V
-
Earth Ground C Type
Power Supply
3
Phase
200
V
:
200
~
240
V
400
V
:
380
~
480
V
(
50
/
60
Hz ±
10
%)
Control Circuit
Power Circuit
Multi
-
function
digital Inputs
(
8
Connections
)
Tx
+
Tx
-
<
2
>
Rx
+
SA
SB
SC
Switch
Safety
Disable
inputs
Jumper
Extended
DI
/
DO
AI
/
AO
OPTION
I
/
O
1
I
/
O N
FIELDBUS
OPTION
Rx
-
Modbus TCP
Ethernet IP
Profinet IO
DeviceNet
Profibus DP
FIELDBUS
COMMUNICATION
<
3
>
RXP
RXN
RJ
45
MODBUS RS
-
485
Max
19
.
2
kbps
12
0
O
Terminating resistance
selection switch
(
SW
1
)
RB
:
5
.
5
~
22
kW
(
HD
)
CM
P
24
2
CM
3
24
V
1
4
5
6
7
8
SW
3
PCS
SW
2
FWD
REV
CF
1
CF
2
Freq Select
RESET
Config
1
Config
2

Table of Contents