EasyManua.ls Logo

Adtech iMASTER – A1 Series - Frequency Reference

Default Icon
198 pages
Print Icon
To Next Page IconTo Next Page
To Next Page IconTo Next Page
To Previous Page IconTo Previous Page
To Previous Page IconTo Previous Page
Loading...
A1-User’s Manual
114
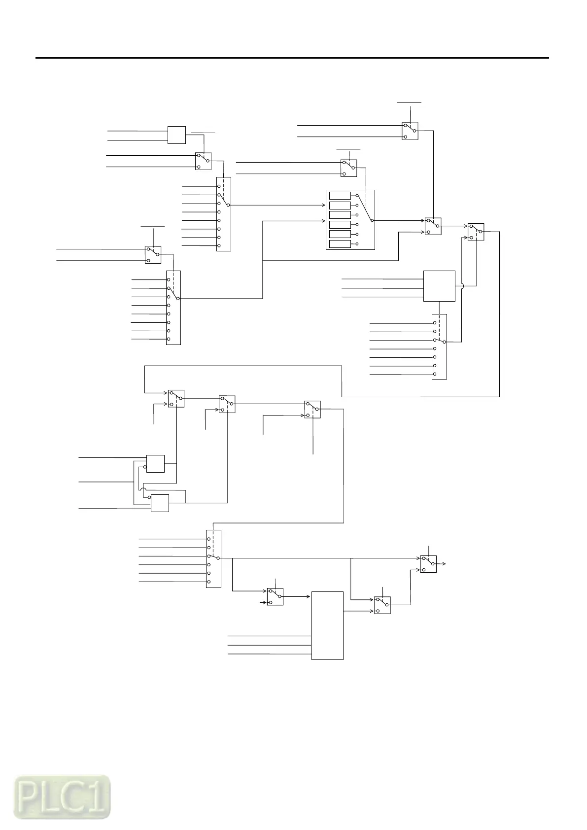
8.2.11 Frequency reference
1
:
AI
1
(
O
)
2
:
AI
2
(
OI
)
0
:
Not Selected
3
:
Modbus
4
:
Fieldbus
5
:
PID
Frequency ref
1
6
:
keypad
7
:
UP
/
DOWN
22
.
03
(
Frequency ref
1
source
)
1
:
ADD
2
:
SUB
3
:
MUL
4
:
MIN
5
:
MAX
0
:
REF
1
22
.
03
(
Frequency ref
1
source
)
40
.
21
(
PID ref source
1
at PID disable
)
PID Disable
AND
22
.
05
(
Frequency ref
1
/
ref
2
combination
)
40
.
23
(
ref
1
/
ref
2
combination at PID disable
)
PID Disable
PID Disable
22
.
11
(
Constant frequency
2
)
22
.
12
(
Constant frequency
3
)
22
.
10
(
Constant frequency
1
)
22
.
13
(
Constant frequency
4
)
22
.
14
(
Constant frequency
5
)
22
.
16
(
Constant frequency
7
)
22
.
15
(
Constant frequency
6
)
Local
22
.
18
(
Jogging
1
ref
)
22
.
17
(
Jogging
1
ref
)
AND
AND
20
.
12
(
Jogging
2
source
)
20
.
10
(
Jogging enable
)
20
.
11
(
Jogging
1
source
)
22
.
01
(
Final frequency reference
)
Local
/
Remote
selection
22
.
07
(
Constant frequency source
1
)
22
.
08
(
Constant frequency source
2
)
22
.
09
(
Constant frequency source
3
)
Constant Frequency
Jog
1
Jog
2
40
.
01
(
PID function
)
40
.
20
(
PID disable source
)
Frequency ref
2
22
.
04
(
Frequency ref
2
source
)
40
.
22
(
PID ref source
2
at PID disable
)
PID Disable
22
.
04
(
Frequency ref
2
source
)
Constant
Frequency
selection
22
.
20
(
Skip frequency
1
high
)
22
.
21
(
Skip frequency
2
low
)
22
.
19
(
Skip frequency
1
low
)
22
.
22
(
Skip frequency
2
high
)
22
.
23
(
Skip frequency
3
low
)
22
.
24
(
Skip frequency
3
high
)
Skip Frequency
40
.
01
(
PID function
)
40
.
20
(
PID disable source
)
Current frequency
<
40
.
13
(
Pre
-
PID frequency
)
Sleep
&
Wake up
40
.
14
(
PID Sleep frequency
)
40
.
15
(
PID Sleep
/
Wake up delay time
)
40
.
16
(
PID Wake up frequency
)
40
.
13
(
Pre
-
PID frequency
)
02
.
01
(
Final frequency reference monitor
)
Pre PID
PID Enable
PID Disable
22
.
06
(
Frequency ref
1
/
ref
2
selection
)
40
.
24
(
ref
1
/
ref
2
selection at PID disable
)
1
:
AI
1
(
O
)
2
:
AI
2
(
OI
)
0
:
Not Selected
3
:
Modbus
4
:
Fieldbus
5
:
PID
6
:
keypad
7
:
UP
/
DOWN

Table of Contents