EasyManua.ls Logo

Agilent Technologies 35670A - Page 323

Agilent Technologies 35670A
439 pages
Print Icon
To Next Page IconTo Next Page
To Next Page IconTo Next Page
To Previous Page IconTo Previous Page
To Previous Page IconTo Previous Page
Loading...
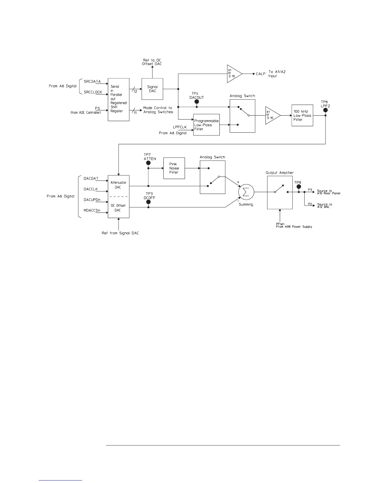
A5 Analog Block Diagram: Analog Source and Calibrator
Agilent 35670A Circuit Descriptions
A5 Analog
8-21

Table of Contents

Other manuals for Agilent Technologies 35670A

Related product manuals