EasyManua.ls Logo

Allison B 400 - MD;B 300;B 400 Retarder Hydraulic Schematic, Retarder on

Allison B 400
396 pages
Print Icon
To Next Page IconTo Next Page
To Next Page IconTo Next Page
To Previous Page IconTo Previous Page
To Previous Page IconTo Previous Page
Loading...
WTEC II ELECTRONIC CONTROLS TROUBLESHOOTING MANUAL
APPENDIX H — HYDRAULIC SCHEMATICS
H–28 Copyright © 1998 General Motors Corp.
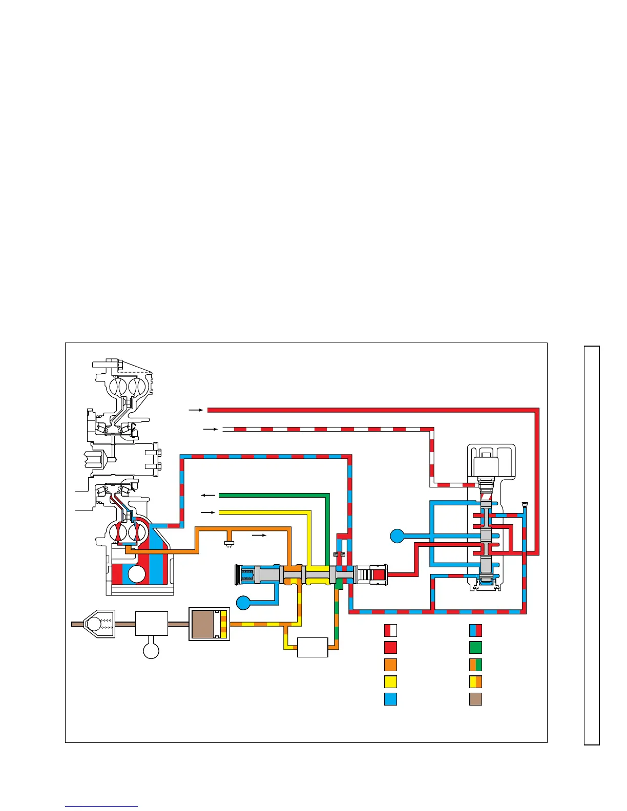
MD/B 300/B 400 RETARDER HYDRAULIC SCHEMATIC
RETARDER ON
(PRIOR TO S/N 6510021203)
CONTROL MAIN
MAIN PRESSURE
RETARDER OUT
CONVERTER OUT
EXHAUST
TO RETARDER
LUBE
FROM COOLER
TO COOLER
VEHICLE AIR
V01519
Air Protection
Valve
(OEM supplied)
Accumulator
ON/OFF
Solenoid
(H)
EX
(Air)
EX
Retarder
Temp Sensor
Flow
Valve
Signal
Valve
EX
Retarder
Charge
Pressure
Cooler
(K)
Retarder
Control
Valve
Figure H–19. MD/B 300/B 400 Retarder Hydraulic Schematic, Retarder On (Prior To S/N 6510021203)

Table of Contents

Related product manuals