EasyManua.ls Logo

Allison B 400 - Fourth Lockup Pump Mode

Allison B 400
396 pages
Print Icon
To Next Page IconTo Next Page
To Next Page IconTo Next Page
To Previous Page IconTo Previous Page
To Previous Page IconTo Previous Page
Loading...
WTEC II ELECTRONIC CONTROLS TROUBLESHOOTING MANUAL
P–28 Copyright © 1998 General Motors Corp.
APPENDIX P — INPUT/OUTPUT FUNCTIONS
WARNING!
These schematics show the intended use of the specified controls features which
have been validated in the configuration shown. Any miswiring or use of these
features which differs from that shown could result in damage to equipment or
property, personal injury, or loss of life. ALLISON TRANSMISSION IS NOT
LIABLE FOR THE CONSEQUENCES ASSOCIATED WITH MISWIRING
OR UNINTENDED USE OF THESE FEATURES.
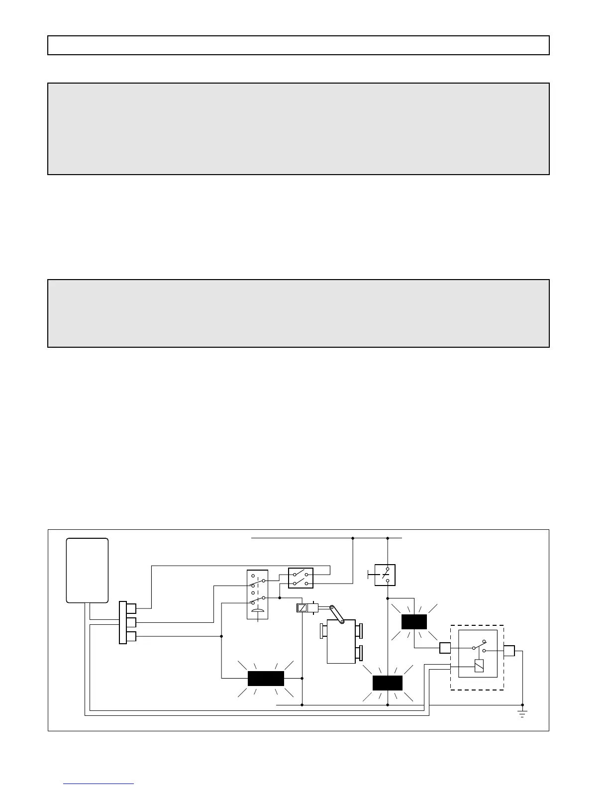
FOURTH LOCKUP PUMP MODE
USES: Facilitates engagement of split shaft PTO and shifts transmission to fourth range lockup for driving a
vehicle-mounted pump.
VARIABLES TO SPECIFY: None
VOCATIONS: Street cleaners, sewer cleaners
SYSTEM OPERATION
OPERATOR ACTION — System Response
TO ENGAGE:
1. SELECT NEUTRAL — Transmission shifts to Neutral.
2. APPLY PARKING BRAKE — None
3. SELECT PUMP — Turns on “Pump Mode Requested” light. Turns on both input signals to ECU (wires 117
and 118) which activates “pump” mode. When split-shaft shifts, “Pump Engaged” light is turned on.
4. SELECT DRIVE — Transmission shifts to fourth lockup. “OK To Pump” light is turned on.
TO DISENGAGE:
1. SELECT NEUTRAL — Transmission shifts to Neutral if output rpm < 1000.
2. SELECT ROAD MODE — PTO disengages.
Figure P–27. Fourth Lockup Pump Mode
WARNING!
If this function is turned “ON” in the shift calibration, the function MUST be
integrated into the vehicle wiring. If the function is available in the shift
calibration but will not be used in the vehicle, it MUST be turned “OFF” in the
calibration.
V05031
WIRE 118
4th LOCKUP PUMP
MODE INPUT
PARKING BRAKE
PRESSURE SWITCH
Switch is closed
when brakes are on
Switch closes when
pump is engaged
WIRE 161B
SIGNAL GROUND
WIRE 114 RANGE INDICATOR (4th)
WIRE 117
PUMP ENABLE
DASH SWITCH
Open: Road
Closed: Pump
Relay shown de-energized
PUMP
ENGAGED
SWITCHED
POWER
A2
NC
COM
VIM
NO
A3
OK TO
PUMP
PUMP MODE
REQUESTED
SPLIT-
SHAFT
PTO
AIR
2
13
16
VIW
CONNECTOR
ECU

Table of Contents

Related product manuals