EasyManua.ls Logo

Amada UB25 - Section IV. Setup

Default Icon
148 pages
Print Icon
To Next Page IconTo Next Page
To Next Page IconTo Next Page
To Previous Page IconTo Previous Page
To Previous Page IconTo Previous Page
Loading...
CHAPTER 2: GETTING STARTED
UB25 LINEAR DC RESISTANCE WELDING CONTROL
2-4 990-665
Section IV. Setup
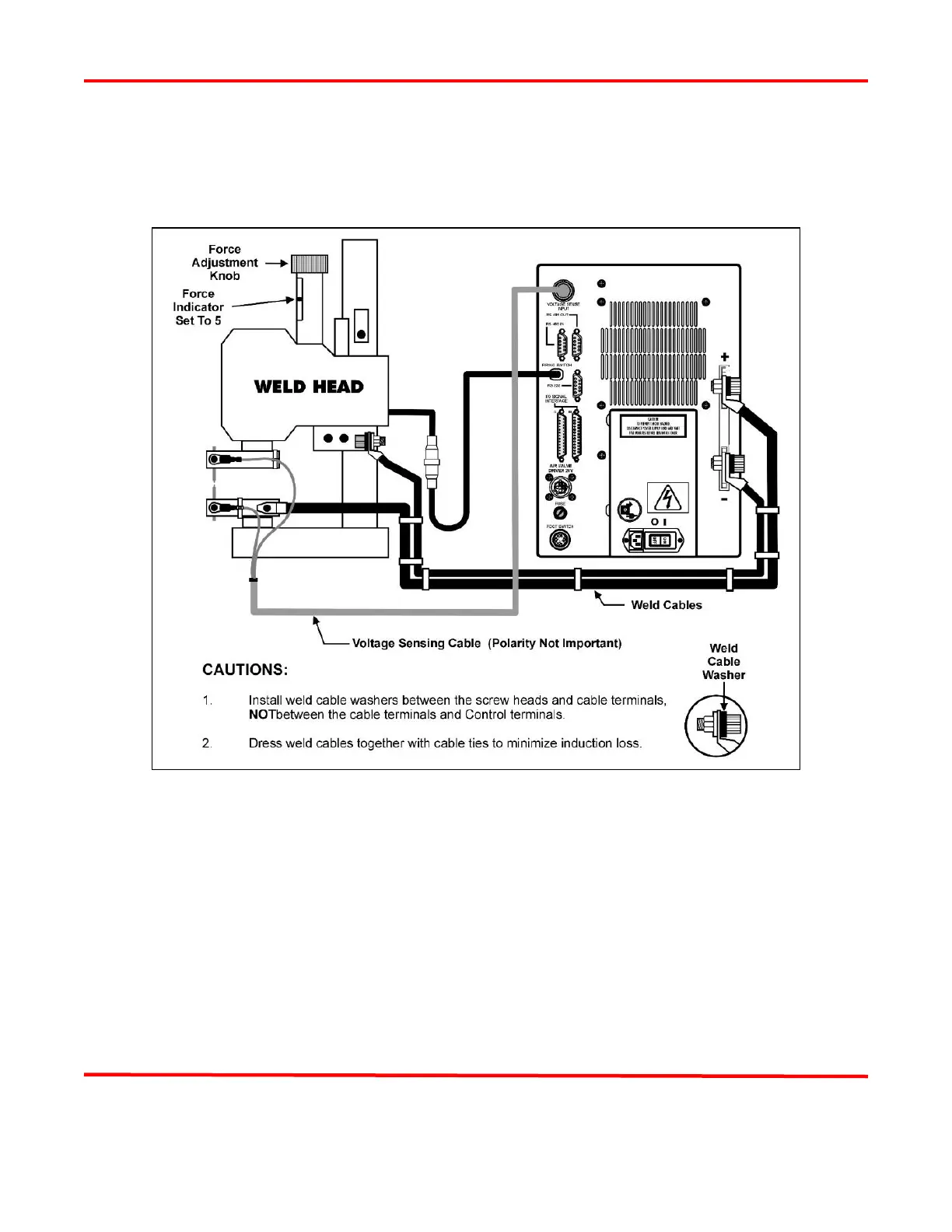
Manual Weld Head Connections
Manual Weld Head Connections
1 Connect one end of a weld cable to the negative (-) weld terminal on the Power Supply.
2 Connect one end of the second weld cable to the positive (+) weld terminal on the Power
Supply.
3 Connect the other end of the two weld cables to the weld head.
4 Dress the weld cables together with cable ties to minimize induction losses.
5 Attach the voltage sensing cable connector to the VOLTAGE SENSE INPUT connector.
6 Install electrodes in the weld head electrode holders.
7 Attach voltage sensing cables to the screws on the electrode holders as shown.

Table of Contents

Related product manuals