EasyManua.ls Logo

Amada UB25 - Air-Actuated Weld Head Connections; Relay, Data, and Communication Connections

Default Icon
148 pages
Print Icon
To Next Page IconTo Next Page
To Next Page IconTo Next Page
To Previous Page IconTo Previous Page
To Previous Page IconTo Previous Page
Loading...
CHAPTER 2: GETTING STARTED
UB25 LINEAR DC RESISTANCE WELDING CONTROL
2-6 990-665
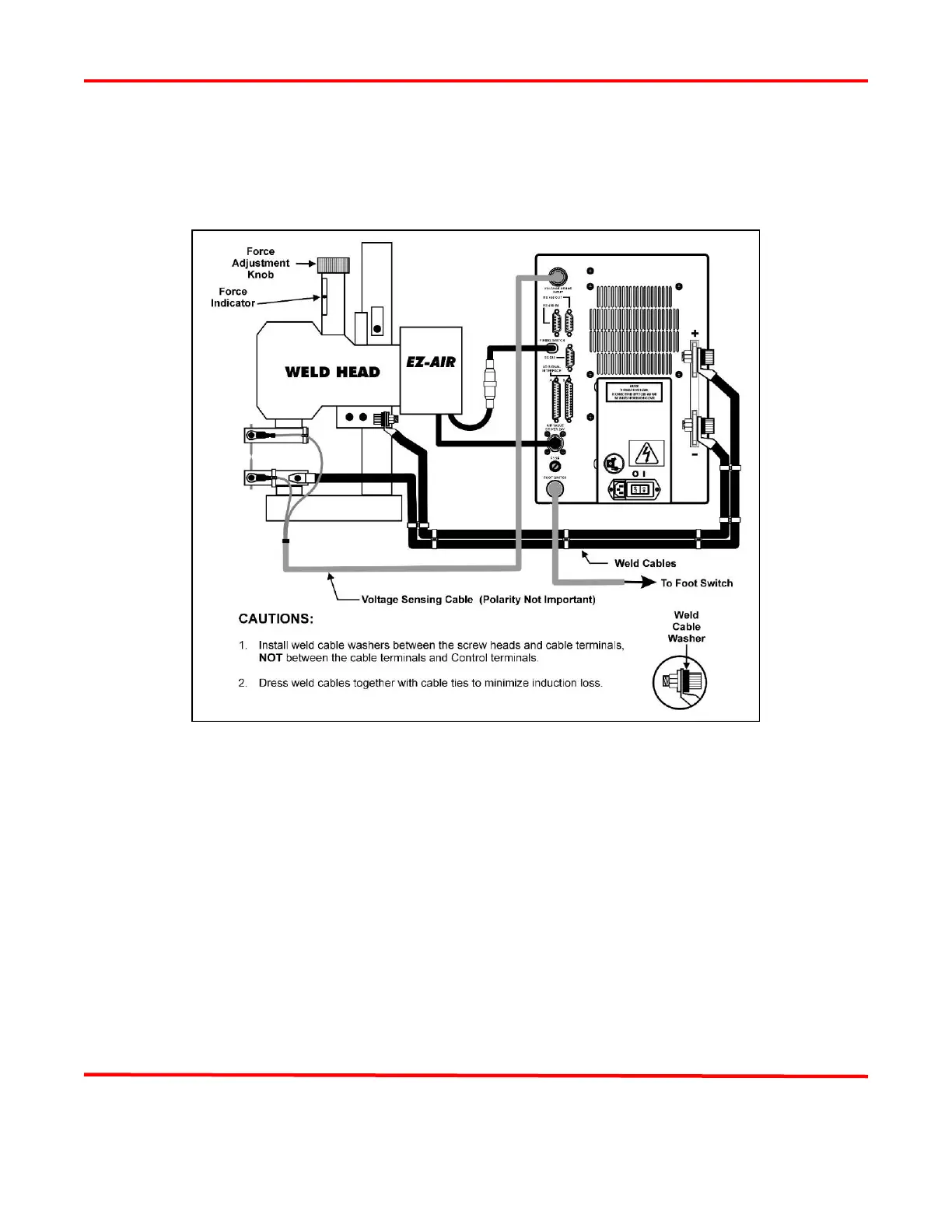
Air-Actuated Weld Head Connections
If you are using an air-actuated weld head, you will need to make the following two connections in
addition to the manual weld head connections.
Air Head Connections
1 Connect the Model FS1L or FS2L Foot Switch cable connector to the Power Supply connector
marked
FOOT SWITCH.
2 Connect the weld head air valve solenoid cable connector to the Power Supply connector marked
AIR VALVE DRIVER 24V.
NOTE: This connector provides 24 VAC power only. It will not drive 115 VAC air valves.
Refer to the weld head manufacturer’s manual.
Relay, Data, And Communication Connections
For the Power Supply programmable relay connections, PLC, data logging, or other I/O connections, you
will have to fabricate the appropriate connecting cables. For the Power Supply connector pin identification
and specifications, see Appendix B, Electrical and Data Connectors.

Table of Contents

Related product manuals