EasyManua.ls Logo

Aspen Avionics EFD1000 - Page 97

Aspen Avionics EFD1000
225 pages
Print Icon
To Next Page IconTo Next Page
To Next Page IconTo Next Page
To Previous Page IconTo Previous Page
To Previous Page IconTo Previous Page
Loading...
EFD1000 Installation Manual
DOCUMENT # A-01-126-00 PAGE 97-225 Revision H
© Copyright 2009 Aspen Avionics Inc.
Over Braid or
Double Shield
Over Braid or
Double Shield
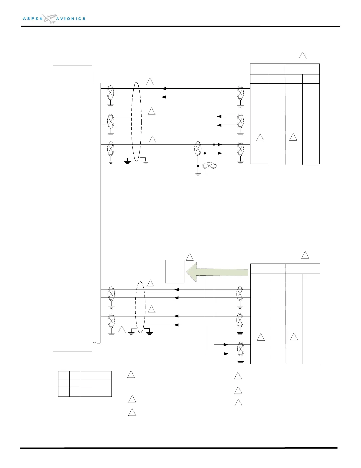
EFD1000
16
429 GPS RX1A
P4001 P4006 P5006P5001
46
46
24
429 GPS RX1B
17
47
24
47
23
Figure 9.9 Pro Dual Digital without Autopilot
GNS430(W)(AW) GNS530(W)(AW)
23
48(50)
49(51)
48(50)
49(51)
18
19
26
27
VLOC/ACU RX2A
VLOC/ACU RX2B
EFD 429 TX1A
EFD 429 TX1B
_
_
_
_
_
_
_
_
_
_
_
_
P4001 P4006 P5006P5001
46 46
24
47
24
47
23
GNS430(W)(AW) GNS530(W)(AW)
23
48(50)
49(51)
48(50)
49(51)
_
_
_
_
_
_
_
_
_
_
_
_
GNAV #1
GNAV #2
20
21
22
23
429 GPS RX3A
429 GPS RX3B
429 VLOC RX4A
429 VLOC RX4B
1
2
ID#1
Description
A
ID#2
A
GNS430, GNS430
No Autopilot
3
Use pins 48 & 49 or 50 & 51 not both.
4
If connecting a GPS(GPS400/500) for GNAV
#2 then omit A429 wires to PFD pins 22&23.
See Figure 9.27 for GNS-430/530
configuration.
*GNS530 uses same config as GNS430
*GPS500 uses same config as GPS400
Contact Aspen Avionics product support for
additional configurations ID’s if your
configuration is not shown.
2
2
1
1
1
1
1
3
3
3
3
Over shield or over braid required on this
wire bundle to comply with HIRF & Lightning.
Extend within back shell if possible. Ground
at both ends.
4
5
Optional
Back-Up
Nav
Indicator
A
C
GNS430, GPS400
No Autopilot
Configuration Matrix
(see Section 10)
See Figure 9.24, 9.25, 9.26 for Back-Up
NAV recommendations.
6
5
Refer to manufacturers’ documentation to
verify the integration data and for information
regarding checkout procedures. This drawing,
as it pertains to the non-Aspen equipment, is
for reference only.

Table of Contents

Other manuals for Aspen Avionics EFD1000

Related product manuals