EasyManua.ls Logo

ASTEC CCM-iBIS - Flowchart of Temperature Setting

ASTEC CCM-iBIS
64 pages
Print Icon
To Next Page IconTo Next Page
To Next Page IconTo Next Page
To Previous Page IconTo Previous Page
To Previous Page IconTo Previous Page
Loading...
How to Use - Fine Adjustment of the Incubator
29
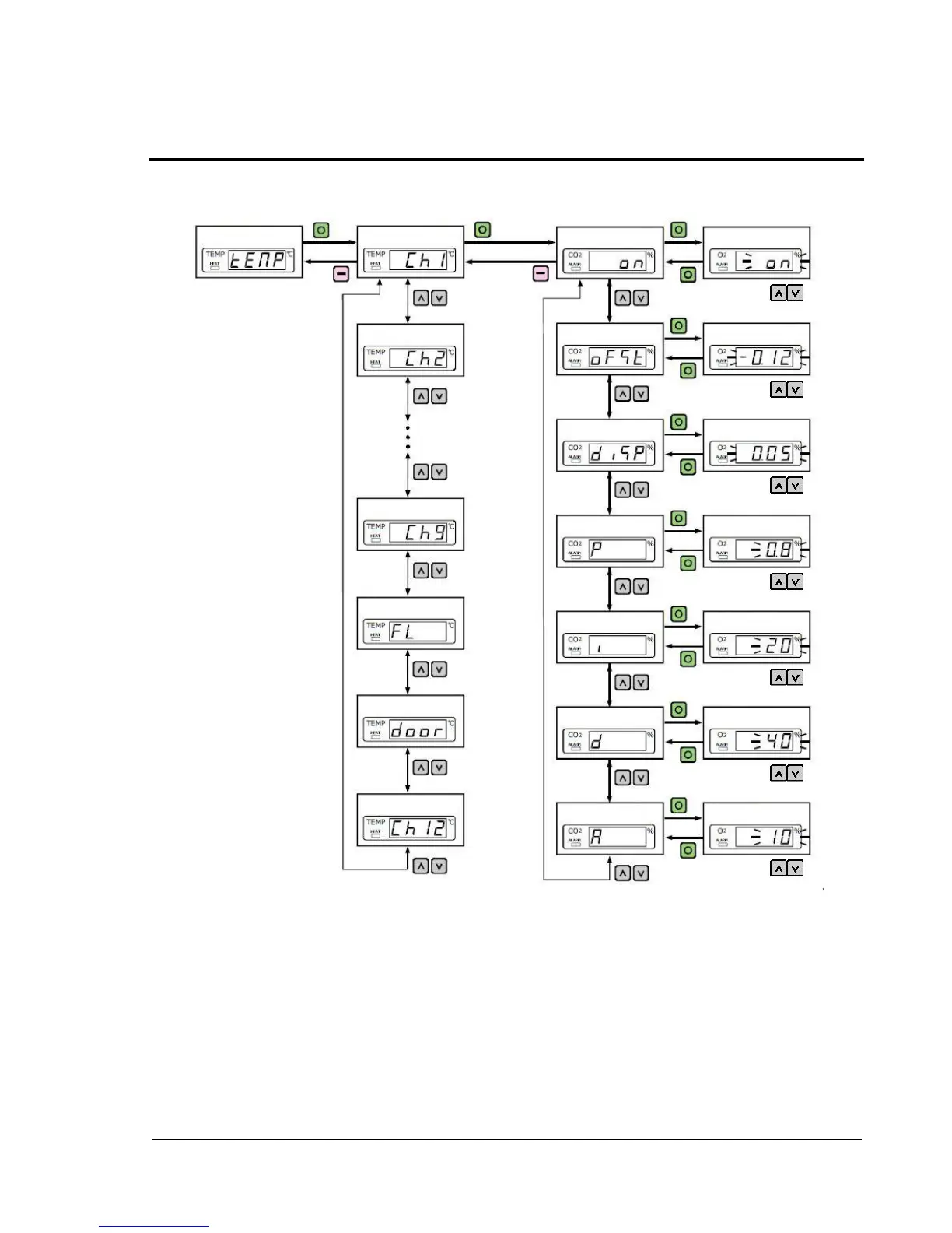
1-23 Flowchart of Temperature Setting
Temperature setting
Channel selection
ON/OFF setting
ON/OFF
Channel selection
Channel selection
Channel selection
Channel selection
Channel selection
Change with
Change with
Change with
Change with
Change with
Change with
Change with
Offset setting
Increase by 0.01
(Unit: ºC)
Rounding-out value
setting
Increase by 0.01
(Unit: ºC)
P (Proportion) setting
Increase by 0.1
(Unit: %)
I (Integral) setting
Increase by 1
(Unit: second)
D (Differential) setting
Increase by 1
(Unit: second)
ARW setting
Increase by 1
(Unit: %)

Table of Contents

Related product manuals