EasyManua.ls Logo

Asylum Research cypher - Power Supply Safety and Thermal Management

Asylum Research cypher
274 pages
Print Icon
To Next Page IconTo Next Page
To Next Page IconTo Next Page
To Previous Page IconTo Previous Page
To Previous Page IconTo Previous Page
Loading...
Ch. 20. Safety Precautions Sec. 20.3. Power Supply Safety and Thermal Management
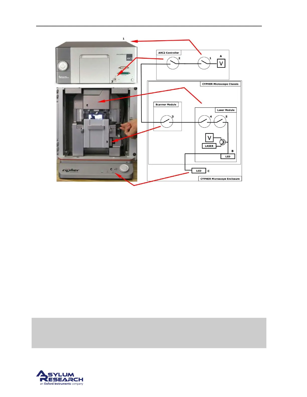
Figure 20.5.: Cypher and ARC2 laser safety interlock system. (A) Laser Voltage Source. (1) Back panel
remote interlock connector, or Light Source Remote Jack. (2) Front panel laser power key switch. (3)
Scanner interlock. (4,5) Laser module dual magnetic switch interlock. (B) Laser Module LED. (C) Cypher
enclosure laser LED. (E) Optical system cover. (F) Objective Lens. Not shown is an additional software
controlled laser power switch.
20.3. Power Supply Safety and Thermal Management
20.3.1. High Voltage
The voltages inside the Cypher SPM are as dangerous as those present in a standard wall socket; there-
fore, you should respect all of the components under the instrument covers as you would a wall socket.
Never touch anything or insert anything conductive under the instrument covers. Also, the piezoelectric
actuators in the scanner have a large capacitance and can hold charge for many minutes after the scanner
is disconnected from any power supply. For this reason never touch the scanner connector, unless it has
been unplugged for at least 10 minutes.
Warning
The Cypher SPM and ARC2 controller contain internal voltages up to 165VDC,
0.5A. Use caution when handling system pieces to avoid electrical injury. These
voltages may be lethal.
BETA
Page 234

Table of Contents