EasyManua.ls Logo

auer HRC70 - Hydraulic Schematic Diagram -1 UNDERFLOOR HEATING; CIRCUIT- -Pool Possible- + Boiler

auer HRC70
76 pages
Print Icon
To Next Page IconTo Next Page
To Next Page IconTo Next Page
To Previous Page IconTo Previous Page
To Previous Page IconTo Previous Page
Loading...
- INSTALLER 7 & 11kW HRC
70
HIGH TEMPERATURE HEAT PUMP
MANUAL -
63
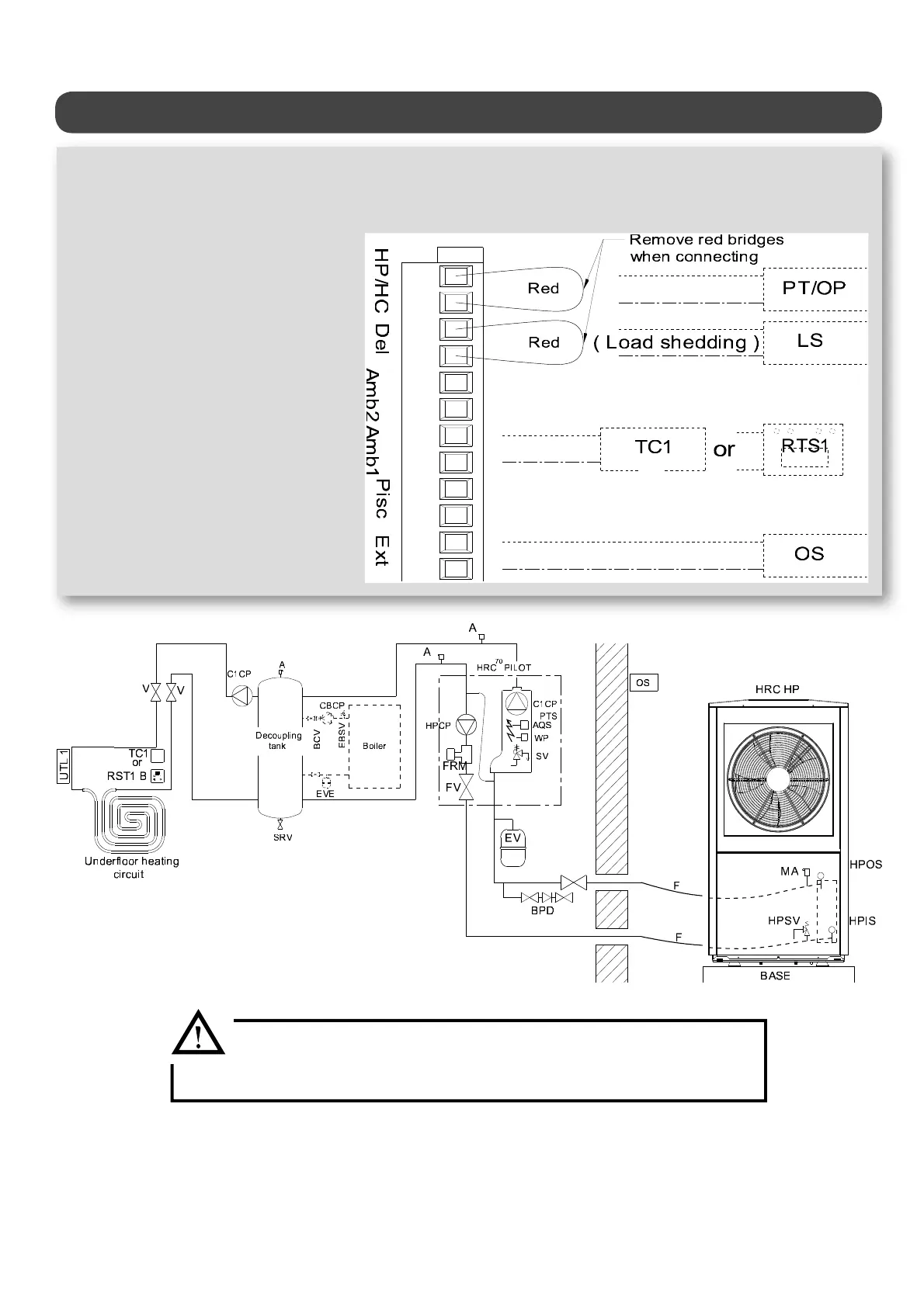
The two under oor temperature limiters (UTL1 & UTL2) MUST be
connected to terminals 1-2 and 4-5 (see § «Under oor heating circuit
application»)
Hydraulic schematic diagram -1 UNDERFLOOR HEATING CIRCUIT- -pool possible- +
boiler
HPCP = circulator pump for Heat Pump circuit
C1CP = circulator pump for heating circuit 1
FRM = Heat Pump circuit  ow rate monitor
SV = 3-bar safety valve
A = Air valve
PTS = HRC
70
Pilot temperature sensor (or outgoing water sensor OW)
AQS = 110°C safety aquastat with manual reset
WP = water pressure sensor
SRV = sludge removal valve
FV = lter valve for Heat Pump circuit
V = stop valves
EV = expansion vessel
BPD = back ow prevention device
F = exible hose for Heat Pump connection
MAV = manual air valve
HPSV = Heat Pump safety valve set to 2.5 bar
HPIWS = Heat Pump incoming water sensor
HPOWS = Heat Pump outgoing water sensor
EBCP = existing boiler circulator pump
EVE = expansion vessel for existing installation
BSV = existing boiler safety valve
OS = Heat Pump HRC
70
Pilot outdoor temperature
sensor
TC1 = heating circuit 1 room thermostat
or RTS1 = room temperature sensor with display for heating
circuit 1 (available to order)
UTL1 = circuit 1 under oor temperature limiter
UTL2 = temperature limiting safety device for the heat
pump circulator pump
FRM SP = ow rate monitor for swimming pool circuit
S pool = swimming pool sensor (optional extra included in
swimming pool kit)
C pool = swimming pool circuit circulator pump
3WV = 3-way valve for radiator circuit (winter) or swimming pool circuit
(summer)
BCV = boiler check valve

Table of Contents

Related product manuals