EasyManua.ls Logo

auer HRC70 - HRC 70 PILOT Electrical Schematic Diagram

auer HRC70
76 pages
Print Icon
To Next Page IconTo Next Page
To Next Page IconTo Next Page
To Previous Page IconTo Previous Page
To Previous Page IconTo Previous Page
Loading...
- INSTALLER 7 & 11kW HRC
70
HIGH TEMPERATURE HEAT PUMP
-
72
HRC
70
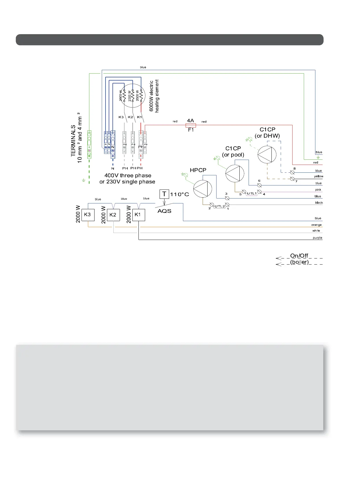
PILOT electrical schematic diagram
PH + N + Ground ..... 230V single phase power supply for HRC
70
Pilot
HPCP ............................ Heat Pump circuit circulator pump
C1CP ............................ Heating circuit 1 circulator pump
C2CP ............................. Heating circuit 2 circulator pump (optional)
HPFM ............................ Contrôleur de débit circuit pompe à chaleur
SP .................................. HRC
70
Pilot temperature sensor ( TSeau input / PCB)
AQS .............................. 110 °C safety aquastat with manual reset for HRC
70
Pilot
WPS............................... HRC
70
Pilot water pressure sensor
OS ................................. HRC
70
Pilot Heat Pump outdoor temperature sensor ( Ext. input /PCB)
TC1 ............................... Heating circuit 1 room thermostat (Amb1 input / PCB) (optional)
or TSC1 ....................... Heating circuit 1 room temperature sensor with display ( Amb1
input / PCB) (optional)
AQ DHW ..................... Heating circuit 2 domestic water aquastat (Amb2 input / PCB)
or DHWS ..................... Heating circuit 2 domestic water temperature sensor (Amb2 input /
PCB)
Del ........................... Load shedding input
HP/HC ......................... Peak / o -peak time input (or electricity provider contact)
App1 ........................ 230 V output electrical back-up command, 1
st
stage
App2 ........................ 230 V output electrical back-up command, 2
nd
stage
App3 ........................ 230 V output electrical back-up command, 3
rd
stage
Chaud. ........................ On/o command (dry contact) for existing boiler
BUS .......................... Link between Heat Pump / HRC
70
Pilot with 2-core sheathed cable
(10m long supplied, 20m available to order -Ref.751005)
USB .......................... USB port for reading recorded data

Table of Contents

Related product manuals