EasyManua.ls Logo

auer HRC70 - Page 73

auer HRC70
76 pages
Print Icon
To Next Page IconTo Next Page
To Next Page IconTo Next Page
To Previous Page IconTo Previous Page
To Previous Page IconTo Previous Page
Loading...
- INSTALLER 7 & 11kW HRC
70
HIGH TEMPERATURE HEAT PUMP
MANUAL -
73
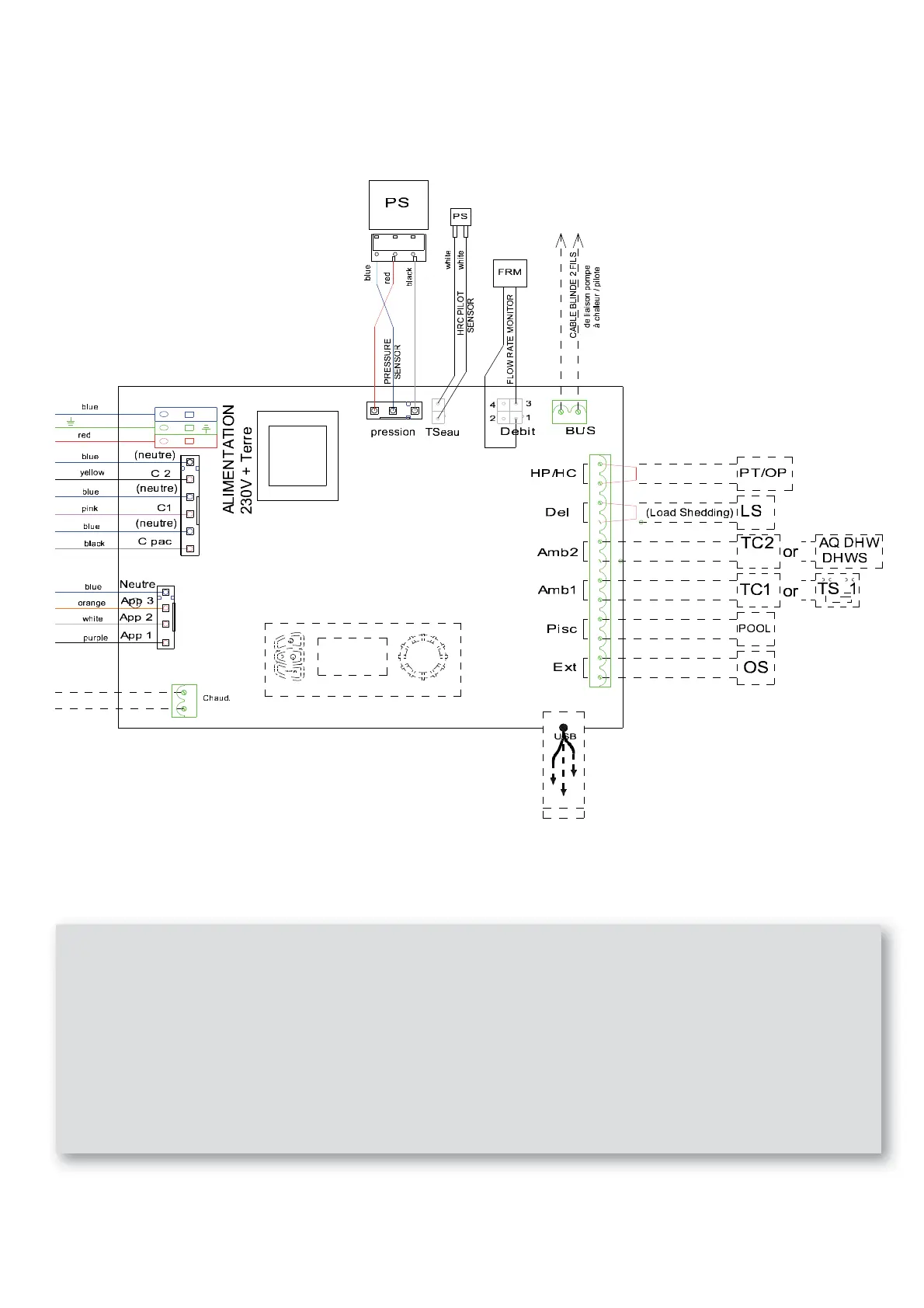
F1 .................................. 4A protection fuse for PCB
Alim ............................. PCB power supply 230 V + Ground
LTP 1 / UTL 1 .............. Temperature-limiting safety device for under oor heating as circuit
1 (optional)
LTP 2 / UTL 2 .............. Temperature-limiting safety device for Heat Pump
K1 ; K2 ; K3 ................. Power contactors stages 1 to 3
T .................................... Electrical back-up from 2000 W electric immersion heater
Optional swimming pool kit:
IP ................................... Switch for heating (winter) / pool (summer)
RP1 and RP2 ............. Swimming pool relay
SFM ............................... Swimming pool  ow rate monitor
S pool ........................... Swimming pool temperature sensor (option included in the
swimming pool kit)
VP ................................. 3-way valve for radiator circuit (winter) or swimming pool circuit
(summer)
F2 .................................. 4A protection fuse for swimming pool circuit
C pool........................... Swimming pool circuit circulator pump

Table of Contents

Related product manuals