EasyManua.ls Logo

Becker AR620X - Wiring Diagrams Single Seat Glider 5-Pol DIN Jack

Becker AR620X
116 pages
Print Icon
To Next Page IconTo Next Page
To Next Page IconTo Next Page
To Previous Page IconTo Previous Page
To Previous Page IconTo Previous Page
Loading...
Installation
Wiring Diagrams and Settings
72 Transceiver Family 620X DV14307.03 Issue 04 March 2016
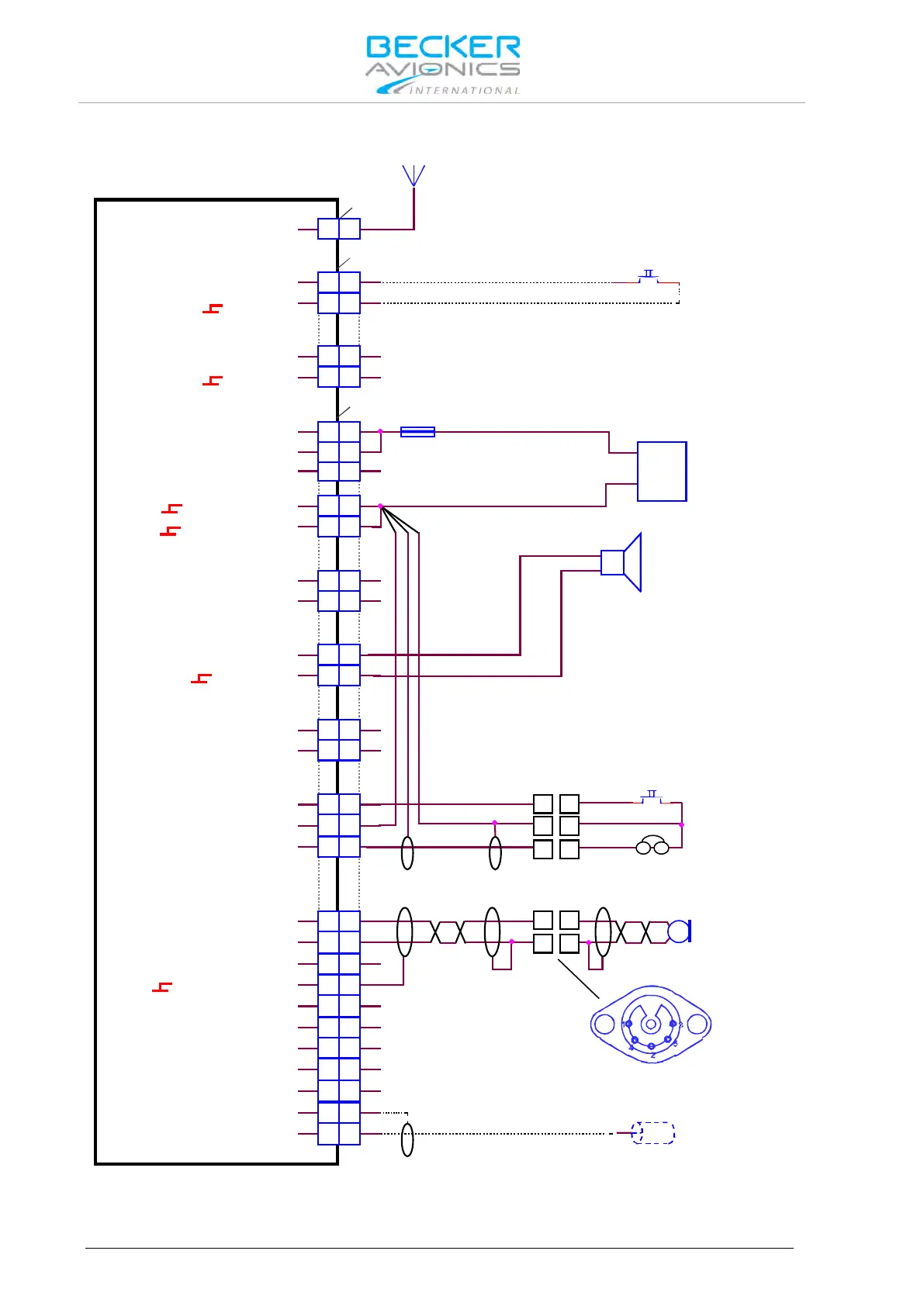
2.10.1.3. Wiring Diagrams Single Seat Glider 5-pol DIN Jack
J3
J1
P1
A
A
12 12
21 21
24
23
23
24
12 12
11 11
24 24
13 13
25 25
23 23
10 10
14 14
7 7
55
11
33
22
44
16 16
17 17
3
3
2 2
5 5
6
6
18 18
88
9 9
21 21
20 20
19 19
4
4
15 15
22 22
1 1
ANTENNA
/EXT_SO
ILL_HI
SPK_HI
SPK_LO
/IC
AGC_OUT
/PTT1
HDPH1_B
HDPH1_A
HDPH2_B
HDPH2_A
MIKE_DYN_LO
MIKE_DYN_HI
MIKE_STD1_HI
MIKE_STD2_HI
MIKE_STD3_HI
LINE_OUT
AF_AUX_IN_LO
AF_AUX_IN_HI
MIKE_STD1_LO
ILL_LO
/MIKE_SW
D_GND
D_GND
P_SUPP
P_SUPP_GND
P_SUPP_GND
P_SUPP
/PWR_EVAL
AR6201-(X1X) / AR6203-(X1X)
AR6201-(X2X) / AR6203-(X2X)
ANTENNA
Frequency Exchange
(Remote Flip-Flop)
optional
AWG20
7.5 A
+
-
AWG20
Battery
12 V
SPEAKER
4 Ohm
AWG20
PTT
PHONE
Auxiliary Audio Input
Connector Wiring side
optional
MICROPHONE
Dynamic Mike
Figure 2-20: Wiring for Single Seat Glider (5-pol DIN Jack)
Note: Frequency exchange switch is optional

Table of Contents

Related product manuals