EasyManua.ls Logo

Becker AR620X - Wiring Diagram Twin Seat with AR620 X Tandem Configuration

Becker AR620X
116 pages
Print Icon
To Next Page IconTo Next Page
To Next Page IconTo Next Page
To Previous Page IconTo Previous Page
To Previous Page IconTo Previous Page
Loading...
Installation
Wiring Diagrams and Settings
80 Transceiver Family 620X DV14307.03 Issue 04 March 2016
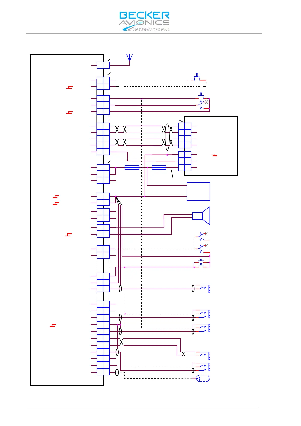
2.10.5.2. Wiring Diagram Twin Seat with AR620X Tandem Configuration
AWG20
7.5 A
3 A
AWG20
AWG20
AWG20
+
-
SPEAKER
4 Ohm
SUPPLY
14 V / 28 V
SPEAKER Off
SPEAKER On
PTT Copilot
Manual Intercom (optional)
PTT Pilot
Intercom Off
Pilot
Intercom On
Intercom Off
Copilot
Intercom On
PTT Hand Mike
Frequency Exchange
(Remote Flip-Flop)
optional
PJ055
Earphone Copilot
PJ055
Earphone Pilot
PJ055
Earphone Passenger1
PJ068
Standard Mike Copilot
PJ068
Standard Mike Pilot
PJ068
Standard Mike Handmike
Auxiliary Audio Input
Note: mount the jacks (earphone&mike)
isolated from aircraft frame
optional
AR6201-(X1X) / AR6203-(X1X)
AR6201-(X2X) / AR6203-(X2X)
ANTENNA
J3
J1
P1
P1
AA
12 12
21 21
5 5
24 24
23 23
12 12
11 11
24 24
8 8
15 15
7 7
14 14
25 25
9 9
13 13
11 11
2 2
1 1
4 4
5 5
1 1
14 14
7 7
16 16
17 17
3 3
2 2
5 5
6 6
18 18
8 8
9 9
22 22
20 20
19 19
15 15
21 21
4 4
23 23
10 10
13 13
25 25
ILL_HI
SPK_HI
SPK_LO
/IC
AGC_OUT
/PTT1
HDPH1_B
HDPH1_A
HDPH2_B
HDPH2_A
MIKE_DYN_LO
MIKE_DYN_HI
MIKE_STD1_HI
MIKE_STD2_HI
MIKE_STD3_HI
LINE_OUT
AF_AUX_IN_LO
AF_AUX_IN_HI
MIKE_STD_LO
ILL_LO
P_SUPP
P_SUPP_GND
P_SUPP_GND
P_SUPP
/PWR_EVAL
ANTENNA
/EXT_SO
/PTT2
/MIKE_SW
D_GND
D_GND
RX1+
RX1-
TX1+
TX1-
/ON
TX0_422+
TX0_422-
RX0_422+
RX0_422-
GND
/EXT_ON
SUPP_IN
RCU6201-(X1X)
Figure 2-24: Wiring for Twin Seat with AR6201 Tandem Configuration

Table of Contents

Related product manuals