EasyManua.ls Logo

Becker AR620X - Wiring Diagram Aircraft with Intercom System Balanced

Becker AR620X
116 pages
Print Icon
To Next Page IconTo Next Page
To Next Page IconTo Next Page
To Previous Page IconTo Previous Page
To Previous Page IconTo Previous Page
Loading...
Installation
Wiring Diagrams and Settings
86 Transceiver Family 620X DV14307.03 Issue 04 March 2016
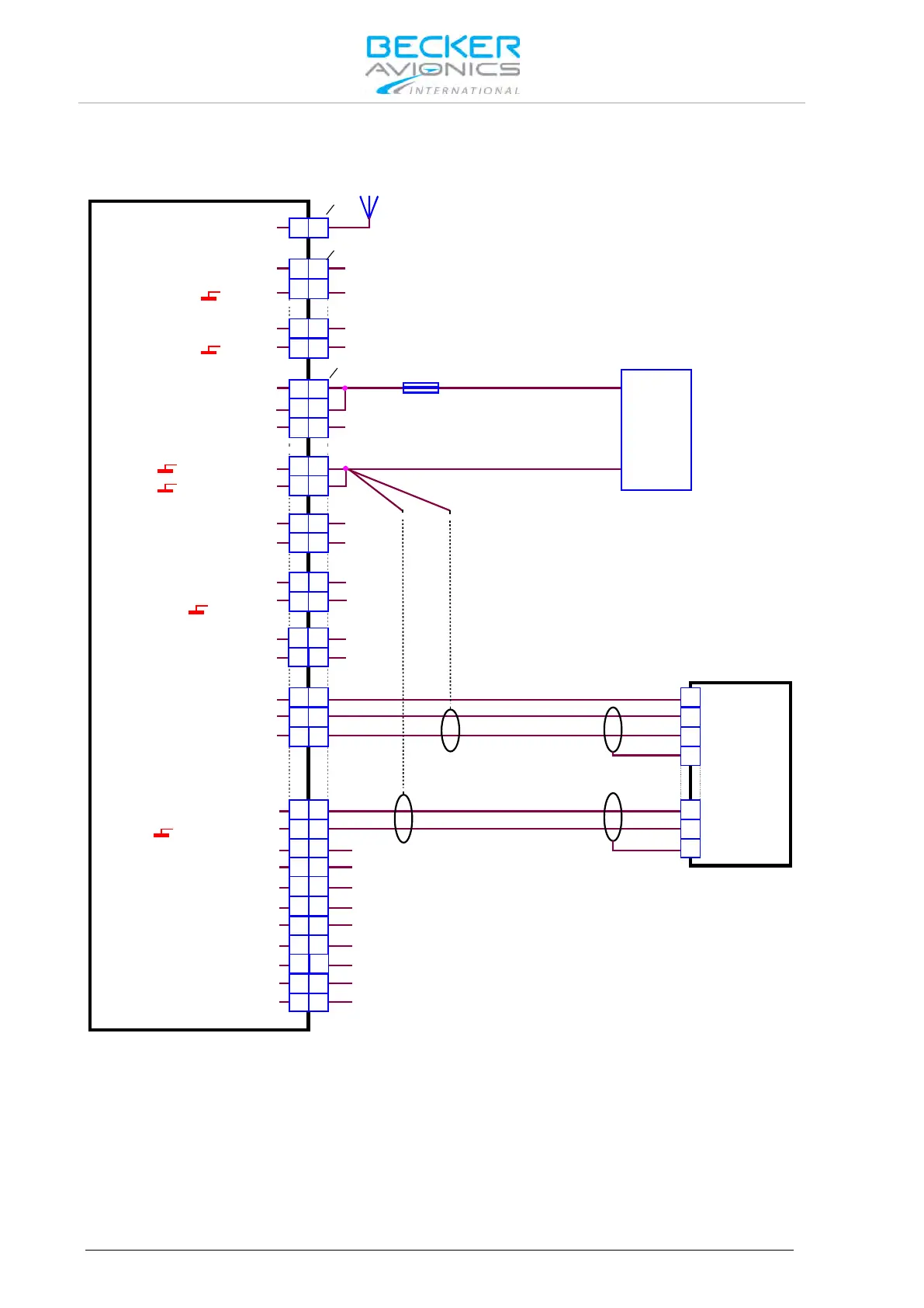
2.10.8.3. Wiring Diagram Aircraft with Intercom System Balanced
AR6201-(X1X) / AR6203-(X1X)
AR6201-(X2X) / AR6203-(X2X)
ANTENNA
J3
J1
P1
ANTENNA
/EXT_SO
D_GND
/MIKE_SW
D_GND
HDPH1_B
HDPH1_A
P_SUPP
P_SUPP_GND
P_SUPP_GND
ILL_HI
ILL_LO
SPK_HI
SPK_LO
/IC
AGC_OUT
/PTT1
P_SUPP
/PWR_EVAL
A
A
23 23
25 25
10 10
1 1
14 14
7 7
16 16
12 12
21 21
23 23
17 17
12 12
11 11
24 24
3 3
2 2
5 5
6 6
18 18
88
9 9
2222
2020
19 19
1515
21
MIKE_DYN_LO
MIKE_DYN_HI
MIKE_STD1_HI
MIKE_STD_LO
MIKE_STD2_HI
MIKE_STD3_HI
LINE_OUT
AF_AUX_IN_LO
AF_AUX_IN_IN
HDPH2_B
HDPH2_A
21
44
1313
24
24
+
-
SUPPLY
14 V / 28 V
Intercom System
AWG20
7.5 A
AWG20
Note:
Optional grounging to PIN13,
if grounding of shields is needed
on both cable ends.
PIN N
PIN N
PIN N
PIN N
PIN N
PIN N
PIN N
Figure 2-28: Wiring for Aircraft with Intercom System (balanced)

Table of Contents

Related product manuals