EasyManua.ls Logo

Becker AR620X - Wiring Diagram Aircraft with Four Seats - no TANDEM

Becker AR620X
116 pages
Print Icon
To Next Page IconTo Next Page
To Next Page IconTo Next Page
To Previous Page IconTo Previous Page
To Previous Page IconTo Previous Page
Loading...
Installation
Wiring Diagrams and Settings
82 Transceiver Family 620X DV14307.03 Issue 04 March 2016
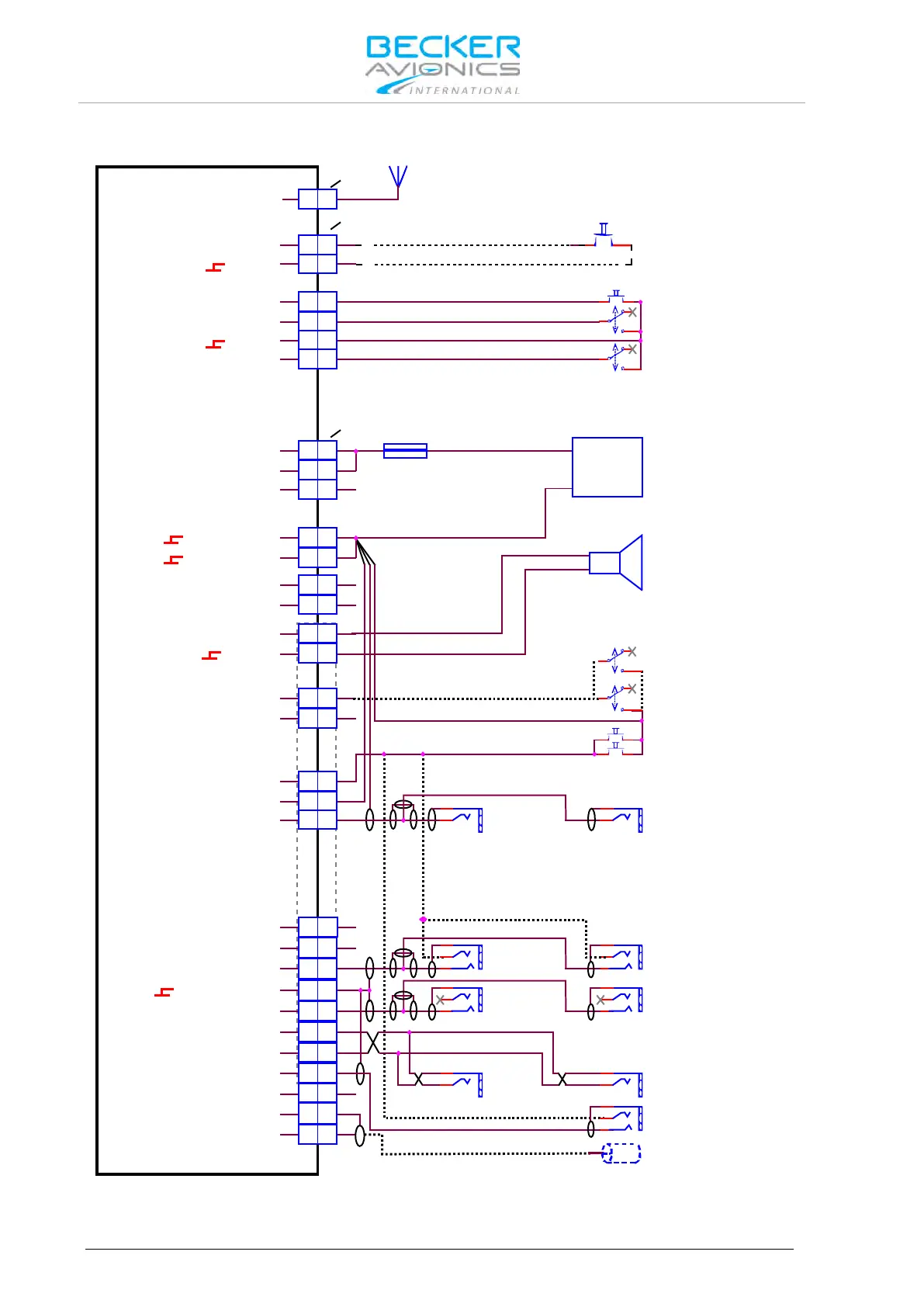
2.10.6.2. Wiring Diagram Aircraft with four Seats - no TANDEM
AWG20
7.5 A
AWG20
AWG20
+
-
SPEAKER
4 Ohm
SUPPLY
14 V / 28 V
SPEAKER Off
SPEAKER On
ISOL Off
ISOL On
PTT Copilot
Manual Intercom (optional)
PTT Copilot
Intercom Off
Pilot
Intercom On
Intercom Off
Copilot
Intercom On
PTT Hand Mike
Frequency Exchange
(Remote Flip-Flop)
optional
PJ055
Earphone Pilot
PJ055
Earphone Copilot
PJ055
Earphone Passenger2
PJ055
Earphone Passenger1
PJ068
Standard Passenger1
PJ068
Standard Passenger2
PJ068
Standard Mike Copilot
PJ068
Standard Mike
Pilot
PJ068
Standard Mike Handmike
Auxiliary Audio Input
Note: mount the jacks (earphone&mike)
isolated from aircraft frame
optional
AR6201-(X1X) / AR6203-(X1X)
AR6201-(X2X) / AR6203-(X2X)
ANTENNA
J3
J1
P1
AA
12 12
21 21
5 5
24 24
23 23
20 20
12 12
11 11
24 24
1 1
14 14
7 7
16 16
17 17
3 3
2 2
5 5
6 6
18 18
8 8
9 9
22 22
20 20
19 19
15 15
21 21
4 4
23 23
10 10
13 13
25 25
ILL_HI
SPK_HI
SPK_LO
/IC
AGC_OUT
/PTT1
HDPH1_B
HDPH1_A
HDPH2_B
HDPH2_A
MIKE_DYN_LO
MIKE_DYN_HI
MIKE_STD1_HI
MIKE_STD2_HI
MIKE_STD3_HI
LINE_OUT
AF_AUX_IN_LO
AF_AUX_IN_HI
MIKE_STD_LO
ILL_LO
P_SUPP
P_SUPP_GND
P_SUPP_GND
P_SUPP
/PWR_EVAL
ANTENNA
/EXT_SO
/PTT2
/MIKE_SW
D_GND
D_GND
/ISOL
Figure 2-25: Wiring for Aircraft with Four Seats (no TANDEM)

Table of Contents

Related product manuals