EasyManua.ls Logo

Becker AR620X - Wiring Diagram Individual Dual Headset Configuration - Two IC Circuit

Becker AR620X
116 pages
Print Icon
To Next Page IconTo Next Page
To Next Page IconTo Next Page
To Previous Page IconTo Previous Page
To Previous Page IconTo Previous Page
Loading...
Installation
Wiring Diagrams and Settings
78 Transceiver Family 620X DV14307.03 Issue 04 March 2016
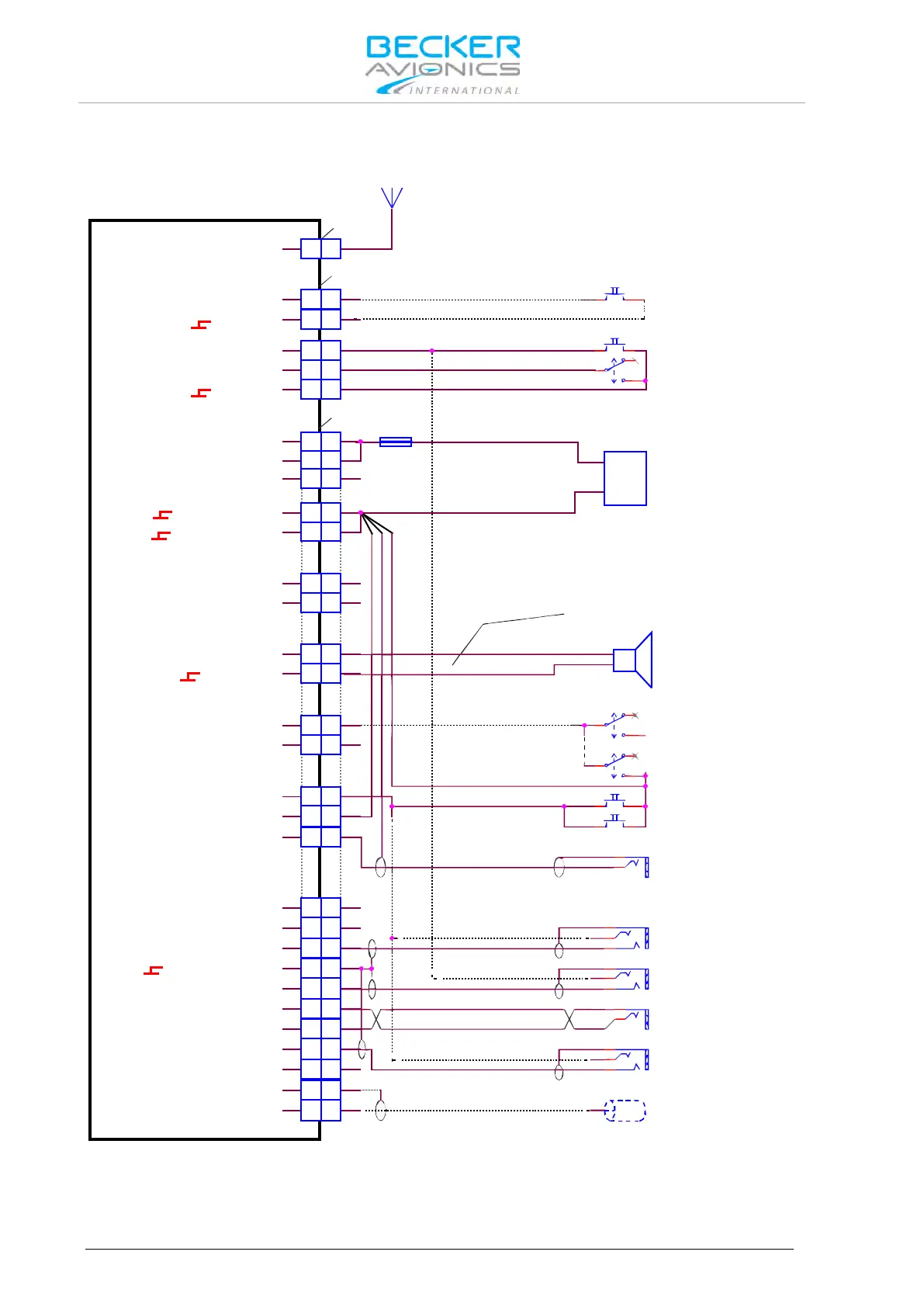
2.10.4.2. Wiring Diagram Individual Dual Headset Configuration - two IC Circuit
ANTENNA
AWG20
7.5 A
+
-
AWG20
AWG20
Manual Intercom (optional)
SPEAKER
4 Ohm
SUPPLY
14 V / 28 V
SPEAKER Off
SPEAKER On
PTT Copilot
Frequency Exchange
(Remote Flip-Flop)
optional
Intercom Off
Pilot
Intercom On
Intercom Off
CoPilot
Intercom On
PTT Pilot
PTT Hand Mike
Earphone Pilot
PJ055
Earphone Copilot
PJ055
PJ068
Standard Mike Pilot
PJ068
Standard Mike Copilot
PJ068
Standard Mike Handmike
Auxiliary Audio Input
Note: mount the jacks (earphone&mike)
isolated from aircraft frame
optional
J3
J1
P1
A
A
12 12
21 21
5 5
24
23
23
24
12 12
11 11
24 24
13 13
25 25
23 23
10 10
14 14
7 7
16 16
17 17
3
3
2 2
5 5
6
6
18 18
88
9 9
21 21
20 20
19 19
4
4
15 15
22 22
1 1
ANTENNA
/EXT_SO
/PTT2
ILL_HI
SPK_HI
SPK_LO
/IC
AGC_OUT
/PTT1
HDPH1_B
HDPH1_A
HDPH2_B
HDPH2_A
MIKE_DYN_LO
MIKE_DYN_HI
MIKE_STD1_HI
MIKE_STD2_HI
MIKE_STD3_HI
LINE_OUT
AF_AUX_IN_LO
AF_AUX_IN_HI
MIKE_STD1_LO
ILL_LO
/MIKE_SW
D_GND
D_GND
P_SUPP
P_SUPP_GND
P_SUPP_GND
P_SUPP
/PWR_EVAL
AR6201-(X1X) / AR6203-(X1X)
AR6201-(X2X) / AR6203-(X2X)
Figure 2-23: Dual wiring for Usage of Standard Hand Mikes, Earphones and Speaker

Table of Contents

Related product manuals