EasyManua.ls Logo

Benning IT 130 - Page 58

Benning IT 130
87 pages
Print Icon
To Next Page IconTo Next Page
To Next Page IconTo Next Page
To Previous Page IconTo Previous Page
To Previous Page IconTo Previous Page
Loading...
BENNING IT 130 Measurements
- 58 -
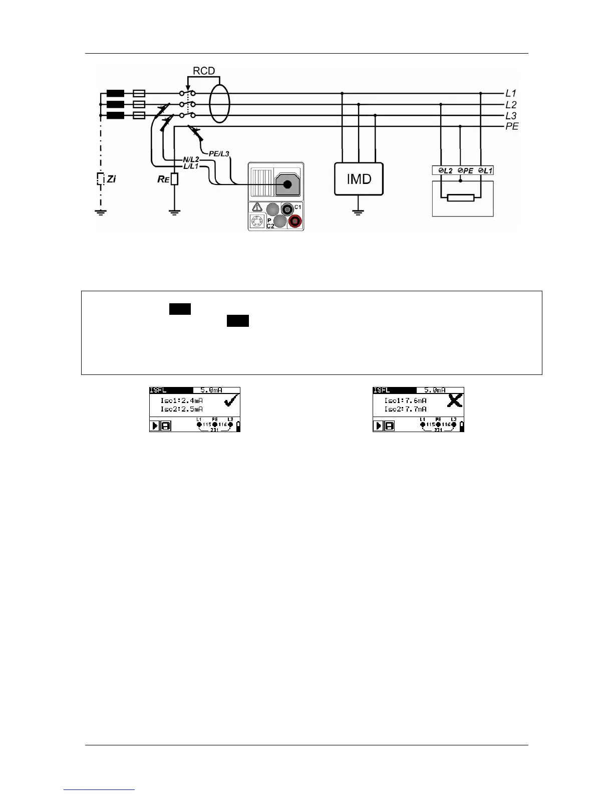
Figure 5.43: Connection of the three-wire test cable in RCD-protected installations
How to perform single-fault leakage current measurements
Set the earthing system according to chapter 4.4.4 to the IT network type.
Select the R
ISO
function by means of the function selector switch.
Set the sub-function to ISFL.
Set the limiting value (optional).
Connect the test cables to the test object (see figure 5.42 and 5.43).
Press the "TEST" key to start the measurement.
Save the measuring result by pressing the "MEM" key (optional).
Figure 5.44: Examples of single-fault leakage current measurements
Results displayed:
Isc1 .......... single-fault leakage current at single fault (earth fault) between L1 and
protective conductor (PE)
Isc2 .......... single-fault leakage current at single fault (earth fault) between L2 and
protective conductor (PE)

Table of Contents

Other manuals for Benning IT 130

Related product manuals