EasyManua.ls Logo

BMS alpha CR - Page 187

Default Icon
188 pages
Print Icon
To Next Page IconTo Next Page
To Next Page IconTo Next Page
To Previous Page IconTo Previous Page
To Previous Page IconTo Previous Page
Loading...
Appendix
14
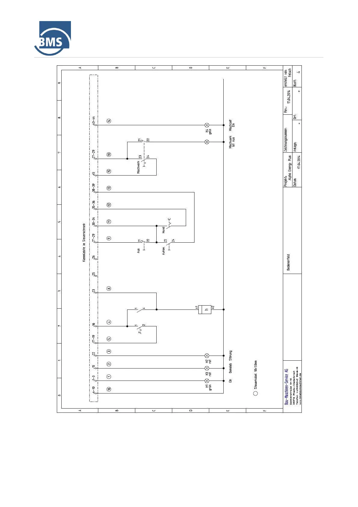
Circuit diagrams
14.3
187

Table of Contents