EasyManua.ls Logo

brielmaier S250 - Electrical Circuit Diagram

brielmaier S250
110 pages
Print Icon
To Next Page IconTo Next Page
To Next Page IconTo Next Page
To Previous Page IconTo Previous Page
To Previous Page IconTo Previous Page
Loading...
11 | Annex Brielmaier Motormäher GmbH
106 BA Motor mower S250 (Version 2021/09)
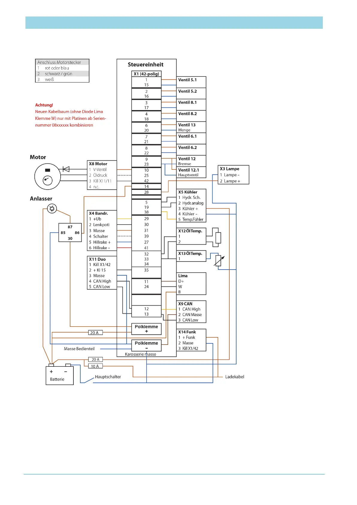
11.2 Electrical circuit diagram

Table of Contents