EasyManua.ls Logo

BRP SUMMIT - Page 110

BRP SUMMIT
502 pages
Print Icon
To Next Page IconTo Next Page
To Next Page IconTo Next Page
To Previous Page IconTo Previous Page
To Previous Page IconTo Previous Page
Loading...
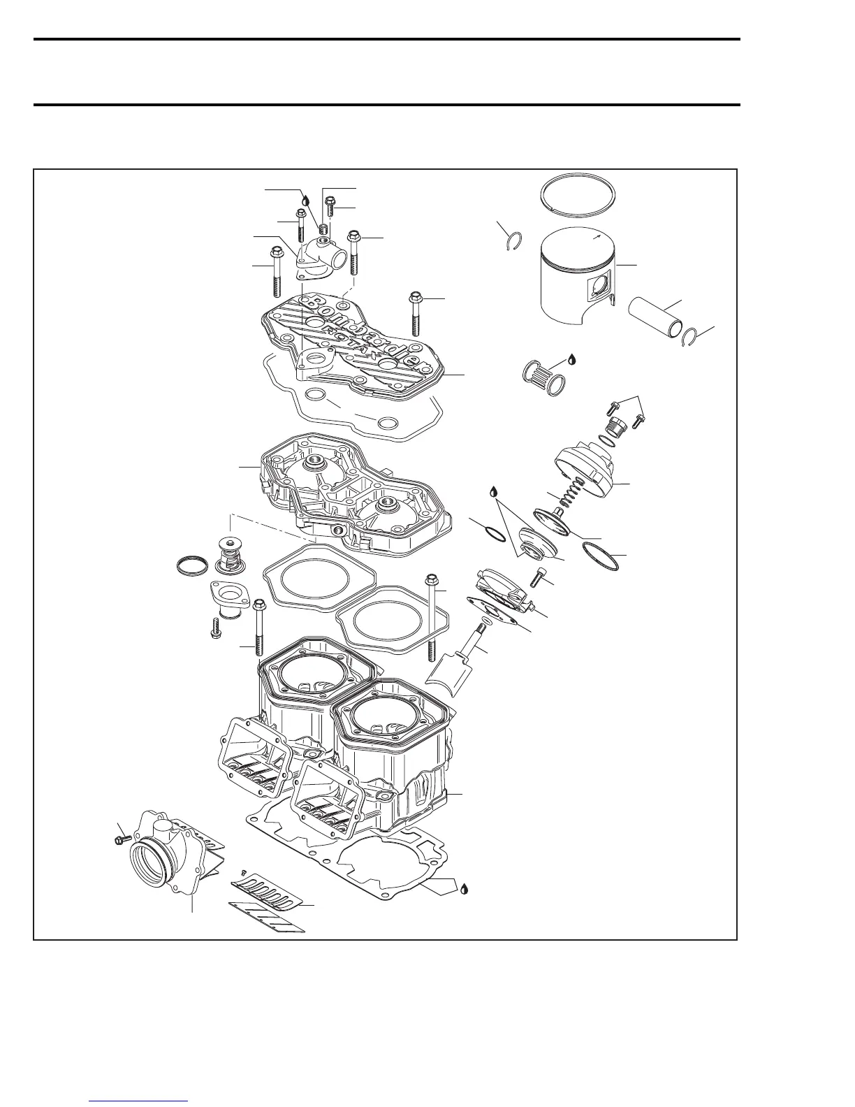
Section 03 ENGINES
Subsection 05 (TOP END)
593 HO Engine
A33C2QS
27
25
25
26
Engine oil
Sealing compound
Drei Bond
5.5 Nm (49 lbfin)
9 Nm (80 lbfin)
21
29 Nm (21 lbfft)
20
7.5 Nm
(66 lbfin)
29 Nm (21 lbfft)
21
21
29 Nm
(21 lbfft)
Sealing compound
Drei Bond
1
2
14
5.5 Nm
(49 lbfin)
5
4
7
10
12
13
8
6
11
9
3
Loctite 518
29
16
5.5 Nm
(49 lbfin)
1.5 Nm
(13 lbfin)
40 Nm
(30 lbfft)
23
40 Nm
(30 lbfft)
22
7.5 Nm (66 lbfin)
15
9 Nm (80 lbfin)
94 mmr2005-072

Table of Contents

Related product manuals