EasyManua.ls Logo

BRP SUMMIT - Page 113

BRP SUMMIT
502 pages
Print Icon
To Next Page IconTo Next Page
To Next Page IconTo Next Page
To Previous Page IconTo Previous Page
To Previous Page IconTo Previous Page
Loading...
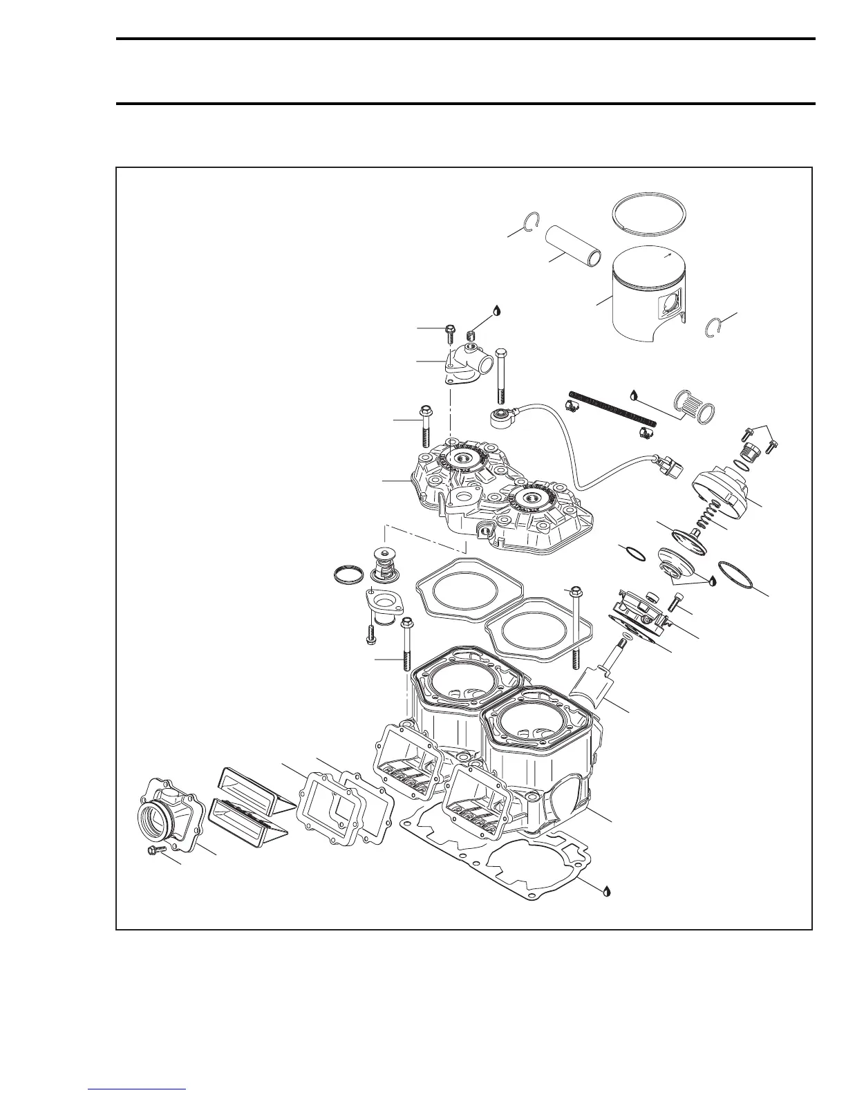
Section 03 ENGINES
Subsection 05 (TOP END)
793 HO Engine (Power Tek)
A33C41S
21
Loctite 518
8 Nm
(71 lbfin)
17
20
29 Nm
(21 lbfft)
2
18
40 Nm
(30 lbfft)
22
16
6 Nm
(53 lbfin)
25
26
27
25
Engine
oil
6 Nm
(53 lbfin)
5
4
6
7
3 Nm
(27 lbfin)
10
12
8
11
9
3
Sealing
compound
Drei Bond
40 Nm
(30 lbfft)
23
14
15
mmr2005-072 97

Table of Contents

Related product manuals