EasyManua.ls Logo

BRP SUMMIT - Page 112

BRP SUMMIT
502 pages
Print Icon
To Next Page IconTo Next Page
To Next Page IconTo Next Page
To Previous Page IconTo Previous Page
To Previous Page IconTo Previous Page
Loading...
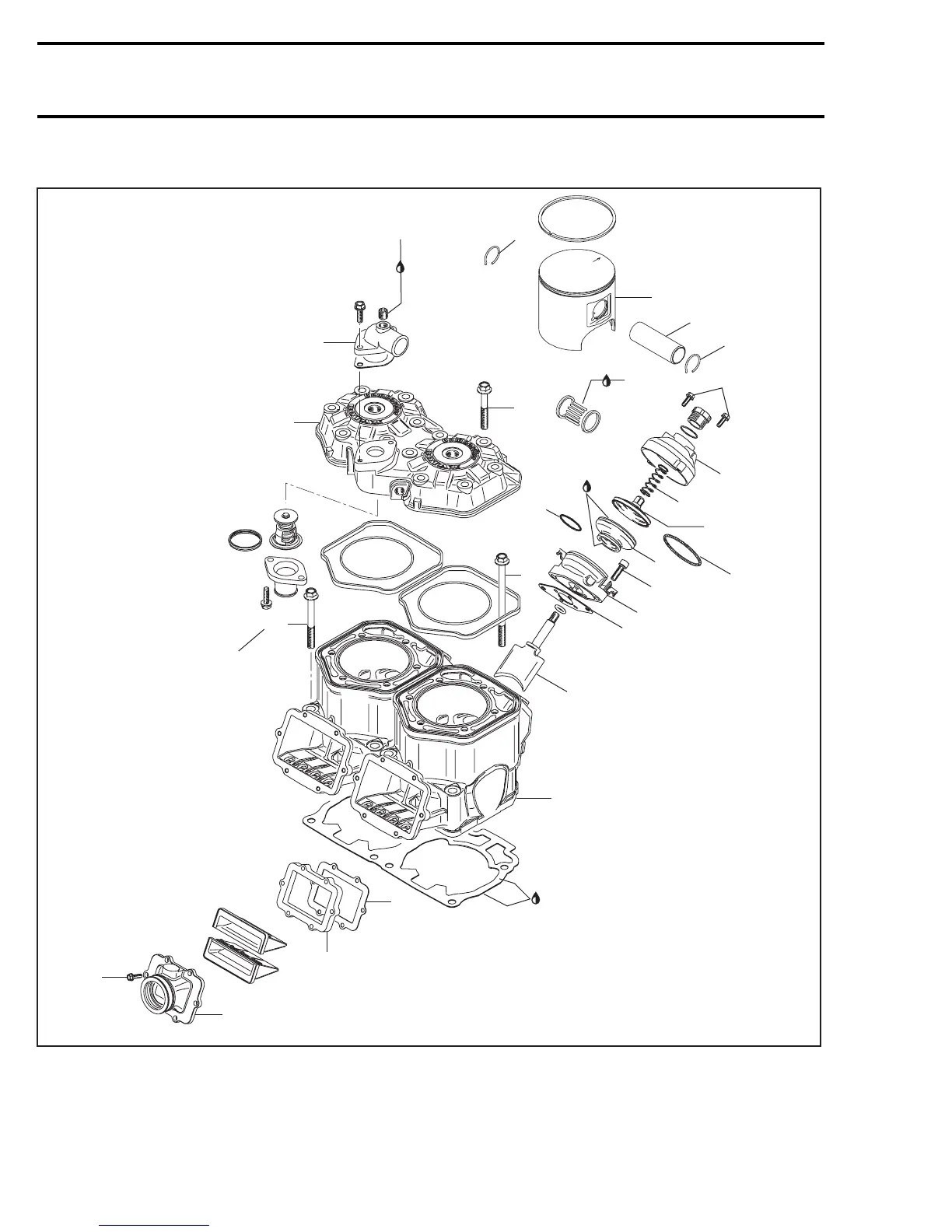
Section 03 ENGINES
Subsection 05 (TOP END)
793 HO Engine
A33C2ST
20
7.5 Nm
(66 lbfin)
5.5 Nm
(49 lbfin)
Sealing compound
Drei Bond
29 Nm
(21 lbfft)
21
7.5 Nm
(66 lbfin)
2
40 Nm
(30 lbfft)
22
40 Nm
(30 lbfft)
23
25
25
26
27
Engine
oil
9
3
11
8
Sealing
compound
Drei Bond
14
6
9 Nm
(80 lbfin)
12
5
5.5 Nm
(49 lbfin)
4
7
13
10
18
Loctite
518
17
15
16
5.5 Nm
(49 lbfin)
3 Nm
(27 lbfin)
96 mmr2005-072

Table of Contents

Related product manuals