EasyManua.ls Logo

Burkert 8630 - Page 72

Burkert 8630
192 pages
Print Icon
To Next Page IconTo Next Page
To Next Page IconTo Next Page
To Previous Page IconTo Previous Page
To Previous Page IconTo Previous Page
Loading...
70 - 8630
OPERATION AND CONTROLLER FUNCTIONS
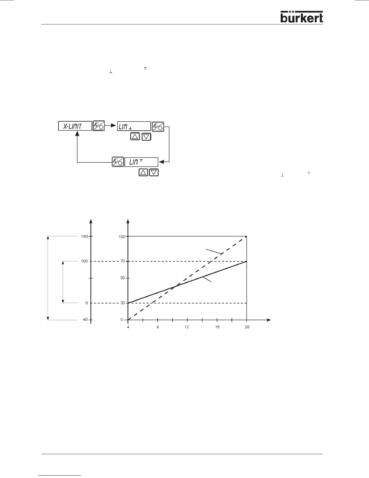
X.LIMIT
Limitation of the mechanical stroke range
Factory setting:
LIM
= 0%,
LIM
= 100%
This supplementary function limits the (physical) stroke to preset % values (minimum and maximum).
The range of the limited stroke is thereby set to 100 %.If the limited stroke range is left during operation,
negative or positive POS values greater than 100 % are displayed.
Entering the start value of the stroke range in %,
0 ... 50 % of the overall stroke
Entering the end value of the stroke rage in %,
50 ... 100 % of the overall stroke
The minimum separation between
LIM
and
LIM
is 50 %.
XXX
XX
Setpoint [mA]
(INP)
limited
stroke
Limited
stroke [%]
(POS)
Physical stroke
[%] (POS)
unlimited
stroke
Control range in
automatic mode
Correcting range in manual mode

Table of Contents

Related product manuals