EasyManua.ls Logo

Cessna 150M - Ignition Schematic

Cessna 150M
358 pages
Print Icon
To Next Page IconTo Next Page
To Next Page IconTo Next Page
To Previous Page IconTo Previous Page
To Previous Page IconTo Previous Page
Loading...
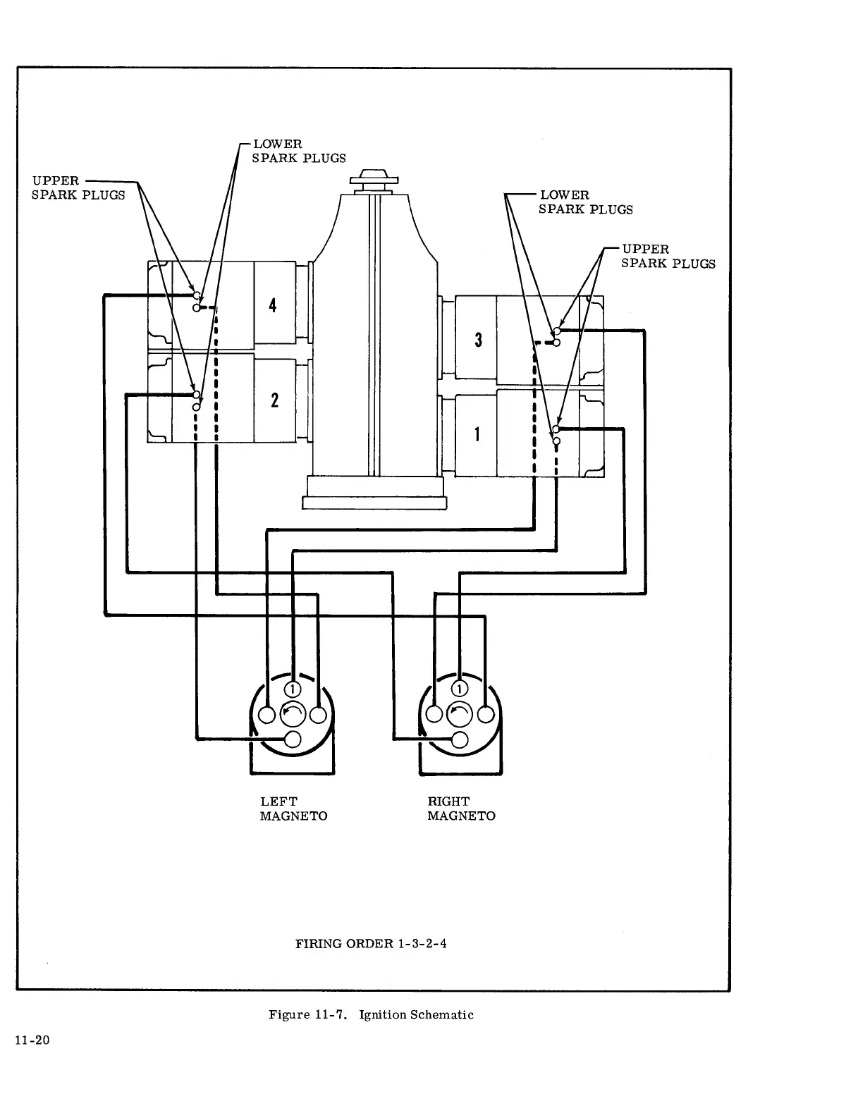
UPPER
---,.
SPARK
PLUGS
11-20
LOWER
SPARK
PLUGS
4
2
LEFT
MAGNETO
3
1
RIGHT
MAGNETO
FIRING
ORDER
1-3-2-4
Figure
11-7.
Ignition
Schematic
LOWER
SPARK
PLUGS
UPPER
SPARK
PLUGS

Table of Contents

Related product manuals