EasyManua.ls Logo

Clark GEX20 - Page 209

Clark GEX20
410 pages
Print Icon
To Next Page IconTo Next Page
To Next Page IconTo Next Page
To Previous Page IconTo Previous Page
To Previous Page IconTo Previous Page
Loading...
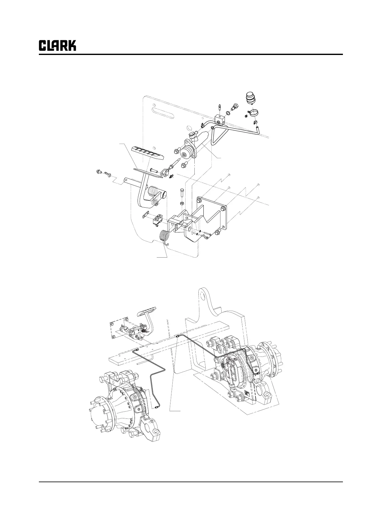
Group 23, Brake System
SM 765, Nov ’06 Brake System Specifications and Descriptions • 23-1-3
Brake lever &
Pedal
Master Cylinder
Return spring
Brake Line to
Master Cylinder

Table of Contents

Related product manuals