EasyManua.ls Logo

Doosan DISD SD 310 - Page 597

Doosan DISD SD 310
696 pages
Print Icon
To Next Page IconTo Next Page
To Next Page IconTo Next Page
To Previous Page IconTo Previous Page
To Previous Page IconTo Previous Page
Loading...
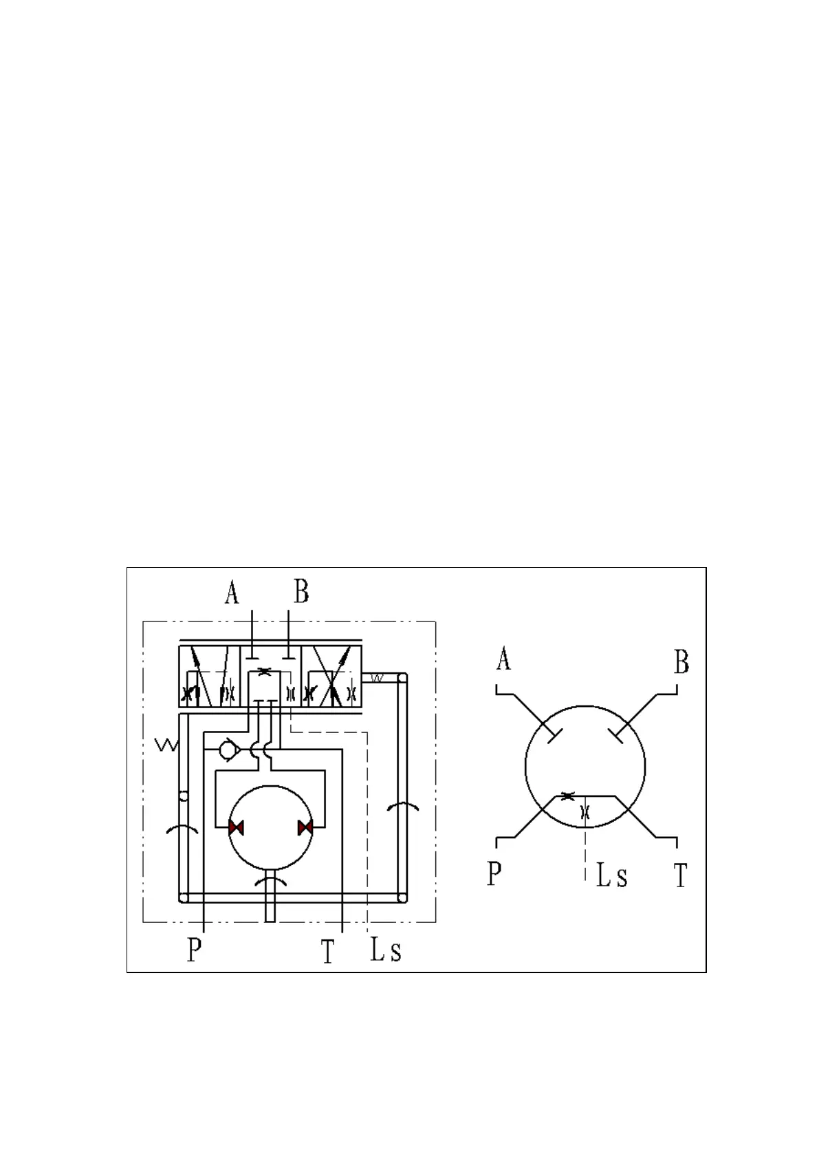
General description Work principle
When steering unit is in the middle, spool and valve bush is at meso-position with the effect of spring
lamination, oil from oil pump will enter spool from two rows of holes of valve bush and spool, then returns to
oil tank throug T oil mouth.
When steering wheel turns right (or left), spool is driven to turn to the right (or left), since the Max.
rotation quantity between spool and valve bush is 10.5°, so spool rotates against valve bush, at this moment,
oil groove is connected with oil inlet way of valve bush, oil goes through valve bush and oil groove of spool,
returns to rotor and stator from valve bush, drives rotor rotating against stator. At the same time, oil from
rotor and stator enters one of the chamber of cylinder through oil mouth A (or B) to make cylinder piston
stretch out (compress inside), and push sheering wheel turns right (or left), oil from the other chamber of
cylinder enters valve bush through oil mouth B (or A), returns oil groove through spool, and goes back to oil
tank through T oil mouth from valve bush.
The relative rotation angle of spool and valve bush is 1.5°, oil way is connected, and rotation of rotor
makes oil connects with cylinder, oil supplying quantity and rotation angle of steering wheel become direct
ratio.
When steering wheel turns right (or left) for an angle and keeps the state, since the above mentioned
oilway is open and oil from oil pump will push rotor to turn right (left), when rotation angle of rotor is the same
with rotation angle of steering wheel, since valve bush and rotor is connected through linkage axle, so rotor
will drive valve bush to turn right (or left) to keep the same angle with steering wheel. At this moment, valve
bush and spool form the position without rotation angle, oilway going to rotor and oil cylinder is closed, oil
from oil pump will go into spool through two rows of holes through valve bush and spool, oil goes back to oil
tank through T oil way from valve bush. At this time, tyre stops moving, this is hydraulic feedback servo
action.
Steering Unit SPC000017
Page 3
Figure 1

Table of Contents

Related product manuals