EasyManua.ls Logo

Dräger Interlock Series - Stroomkringschema Met D+ Kabel of Snelheidsmetersignaal

Dräger Interlock Series
422 pages
Print Icon
To Next Page IconTo Next Page
To Next Page IconTo Next Page
To Previous Page IconTo Previous Page
To Previous Page IconTo Previous Page
Loading...
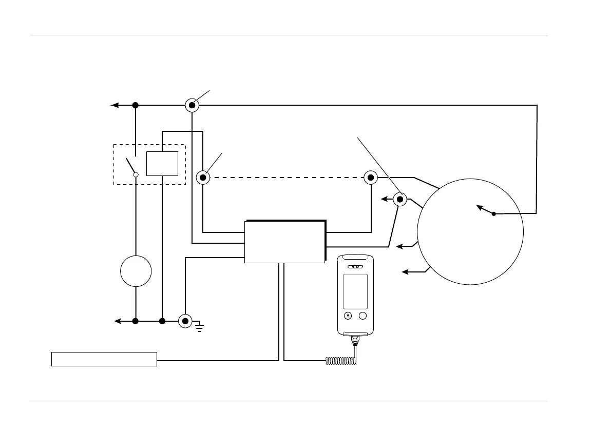
102 Instructies voor installatie | Dräger Interlock
®
5x00/7x00
| Installatie
4.4.10 Stroomkringschema met D+ kabel of
snelheidsmetersignaal
49952
&RQWDFWVORW
6WDUWPRWRU
6WDUWUHODLV
2QGHUEUHNLQJ
0
9
9
6WDUWUHODLV
NOHP
&RQWDFW
NOHP
SRVLWLH
7RHEHKRUHQ
8LW
3OXV
3RZHU
EUXLQ JULMV
URRG
]ZDUW
EODXZ
$DQVOXLWLQJRS
PDVVD
NOHP
'U¦JHU
,QWHUORFN
p
[[
&RQWUROHXQLW
'U¦JHU,QWHUORFN
p
[[
+DQGVHW
$DQVOXLWLQJVWDUWUHODLV
$DQVOXLWLQJ&RQWDFW
3OXVDDQVOXLWLQJNOHP
2.
'RIVQHOKHLGVPHWHUVLJQDDO
ZLW$8;3,1

Table of Contents

Related product manuals