EasyManua.ls Logo

Dräger Interlock Series - Primer Vezalnega Načrta (Tukaj S Ključnim Stikalom in Relejem Zaganjalnika)

Dräger Interlock Series
422 pages
Print Icon
To Next Page IconTo Next Page
To Next Page IconTo Next Page
To Previous Page IconTo Previous Page
To Previous Page IconTo Previous Page
Loading...
Instalacija |
Navodila za namestitev | Dräger Interlock
®
5x00/7x00 265
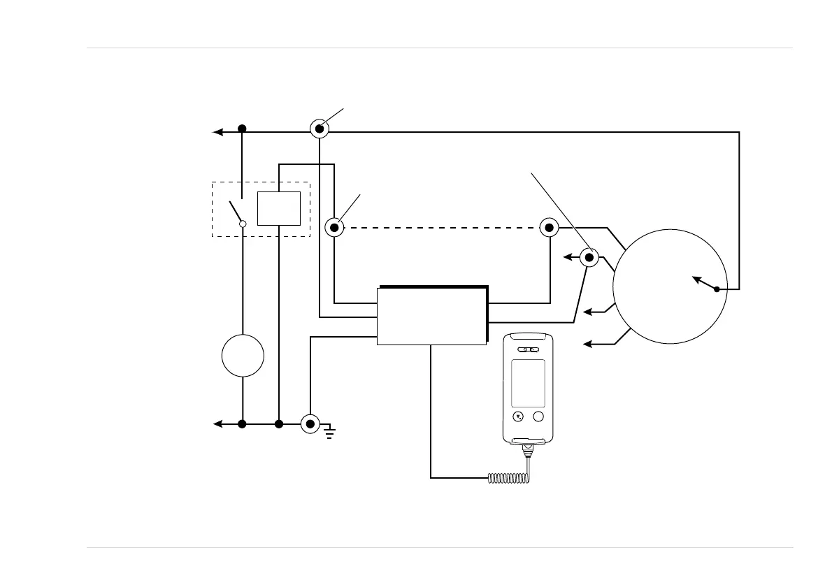
4.4.3 Primer vezalnega načrta (tukaj s ključnim stikalom in relejem zaganjalnika)
49423
6WLNDOR]DYŀLJ
0RWRU
]DJDQMDOQLND
5HOH
]DJDQMDOQLND
3UHNLQLWHY
0
9
9
5HOH]DJDQMDOQLND
VSRQND
9ŀLJ
VSRQNDSRORŀDM
'RGDWQD
RSUHPD
,]NORS
3R]LWLYQLSRO
1DSHWRVW
UMDYD VLYD
UGHÏD
ÏUQD
PRGUD
3ULNOMXÏHN]DPDVR
VSRQND
'U¦JHU
,QWHUORFN
p
[[
.UPLOQLN
'U¦JHU,QWHUORFN
p
[[
5RÏQDPHULOQDHQRWD
3ULNOMXÏHN]DUHOH]DJDQMDOQLND
3ULNOMXÏHN]DYŀLJ
9
UHGX
3R]LWLYQLSULNOMXÏHNVSRQND
3ULNOMXÏHN]DPDVR

Table of Contents

Related product manuals