EasyManua.ls Logo

Dräger Interlock Series - 4.4.10 D+ Hattı Veya Hız Sinyali Ile Devre Şeması

Dräger Interlock Series
422 pages
Print Icon
To Next Page IconTo Next Page
To Next Page IconTo Next Page
To Previous Page IconTo Previous Page
To Previous Page IconTo Previous Page
Loading...
Kurulum |
Kurulum talimatları | Dräger Interlock
®
5x00/7x00 373
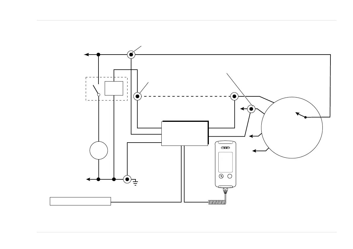
4.4.10 D+ hattı veya hız sinyali ile devre şeması
49952
.RQWDNġDOWHUL
0DUġPRWRUX
0DUġPRWRUX
U¸OHVL
.HVLQWL
0
9
9
0DUġPRWRUXU¸OHVL
NOHPHQV
.RQWDN
NOHPHQV
SR]LV\RQ
$NVHVXDU
NDSDOó
$UWó
*¾©
NDKYHUHQJL
JUL
NóUPó]ó
VL\DK
PDYL
ĠDVLEDáODQWóVó
NOHPHQV
'U¦JHU
,QWHUORFN
p
[[
.RQWURO¾QLWHVL
'U¦JHU,QWHUORFN
p
[[
(OFLKD]ó
0DUġPRWRUXU¸OHVLEDáODQWóVó
$WHġOHPHEDáODQWóVó
$UWóEDáODQWóVóNOHPHQV
7DPDP
'\DGDKó]J¸VWHUJHVLVLQ\DOL
EH\D]$8;3,1

Table of Contents

Related product manuals